This thread has been locked.

If you have a related question, please click the "Ask a related question" button in the top right corner. The newly created question will be automatically linked to this question.

LM5176: broken when buck mode

Part Number: LM5176

Dear Ti Experts,

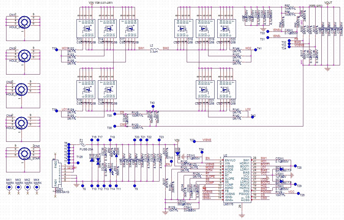
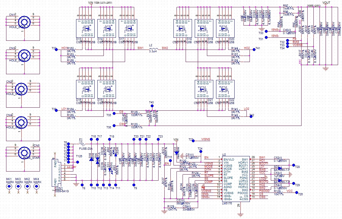
My customer is debugging LM5176, the input voltage is 12~24V, and output is 20V, below is schematics, they found it worked well when in boost mode, however, it is very easy broken in buck mode, sometimes, the MOSFET would broke in bukc mode also, could you kindly help to review and give some advices? Thanks a lot.