This thread has been locked.

If you have a related question, please click the "Ask a related question" button in the top right corner. The newly created question will be automatically linked to this question.

LM25118: NMOS Drive

Part Number: LM25118
Other Parts Discussed in Thread: LM5118

Hi,

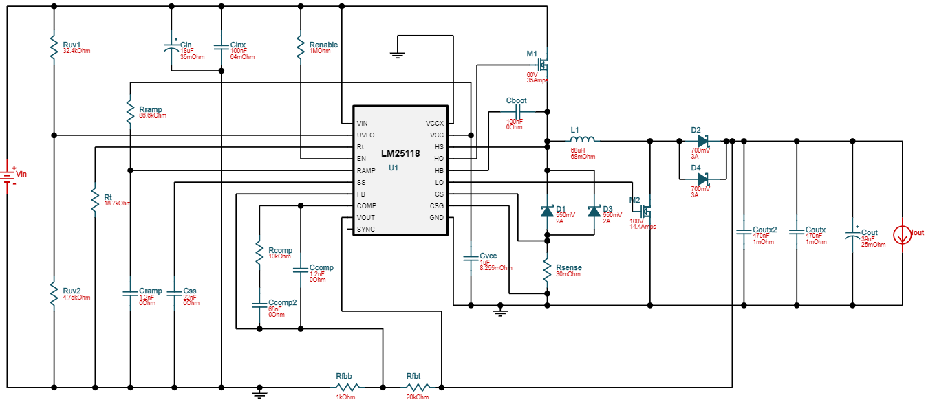
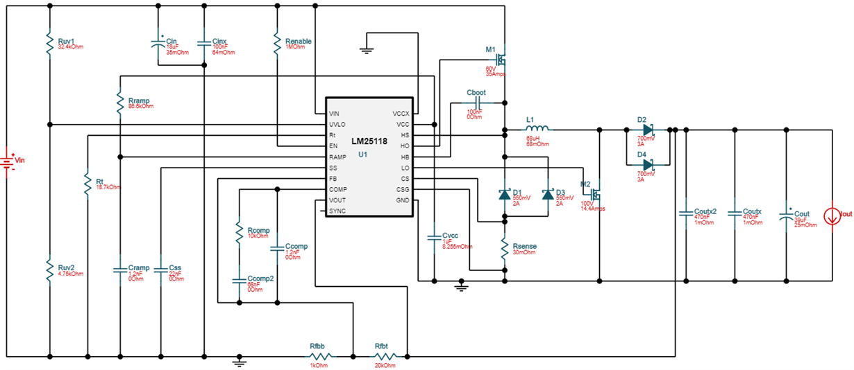
I'm using the LM25118 device to get an output of 26V from an input of 12 to 30VDC. When I used Webench to design my circuit it didn't protect my external NMOS Vgs with a zener. My NMOS both have a Vgs max of +/-20V. Should I be worried about breaking the transistors if I don't protect their gate?

Please see the attached file:

Thanks

Antoine

  • HI Antoine,


    Thank you for considering the LM5118 for your applications.  If used as recommended by Webench or the datasheet, there would be no over voltage at the gate drive.  The low side FET driver is supplied by VCC, which is limited to 7~8V.  The high side FET driver is supplied by Cboost, which is charged by VCC each time when HS is switched to ground. So, you should not worry about exceeding your +/-20V Vgs rating, but enjoy the saving of those Zener diodes.

    Thanks,

    Youhao Xi, Applications Engineering