This thread has been locked.

If you have a related question, please click the "Ask a related question" button in the top right corner. The newly created question will be automatically linked to this question.

BQ24780S: Discharge output capacitor when battery absent

Part Number: BQ24780S

Hello,

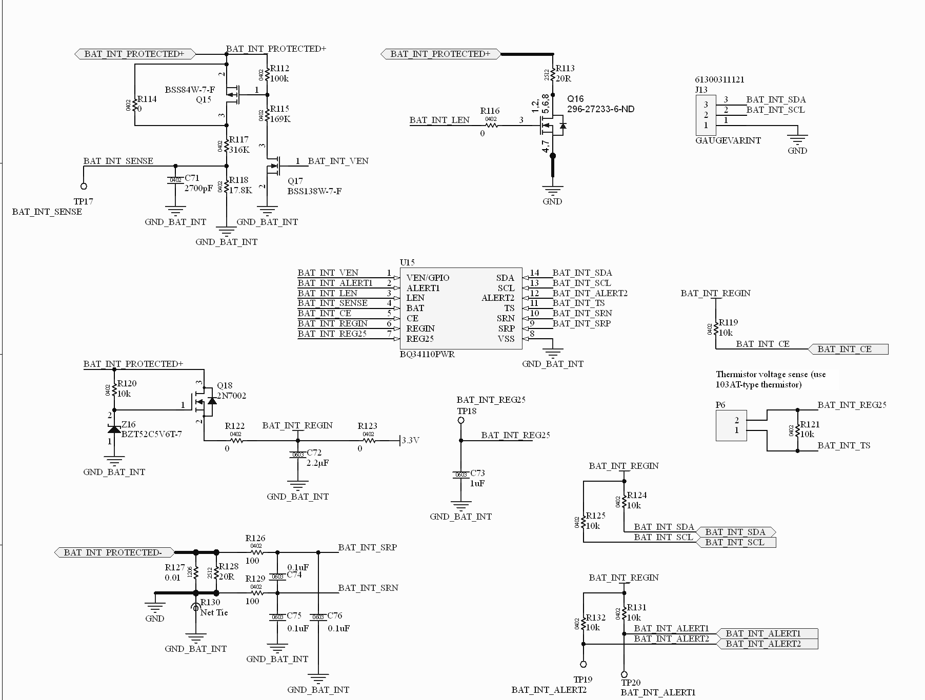
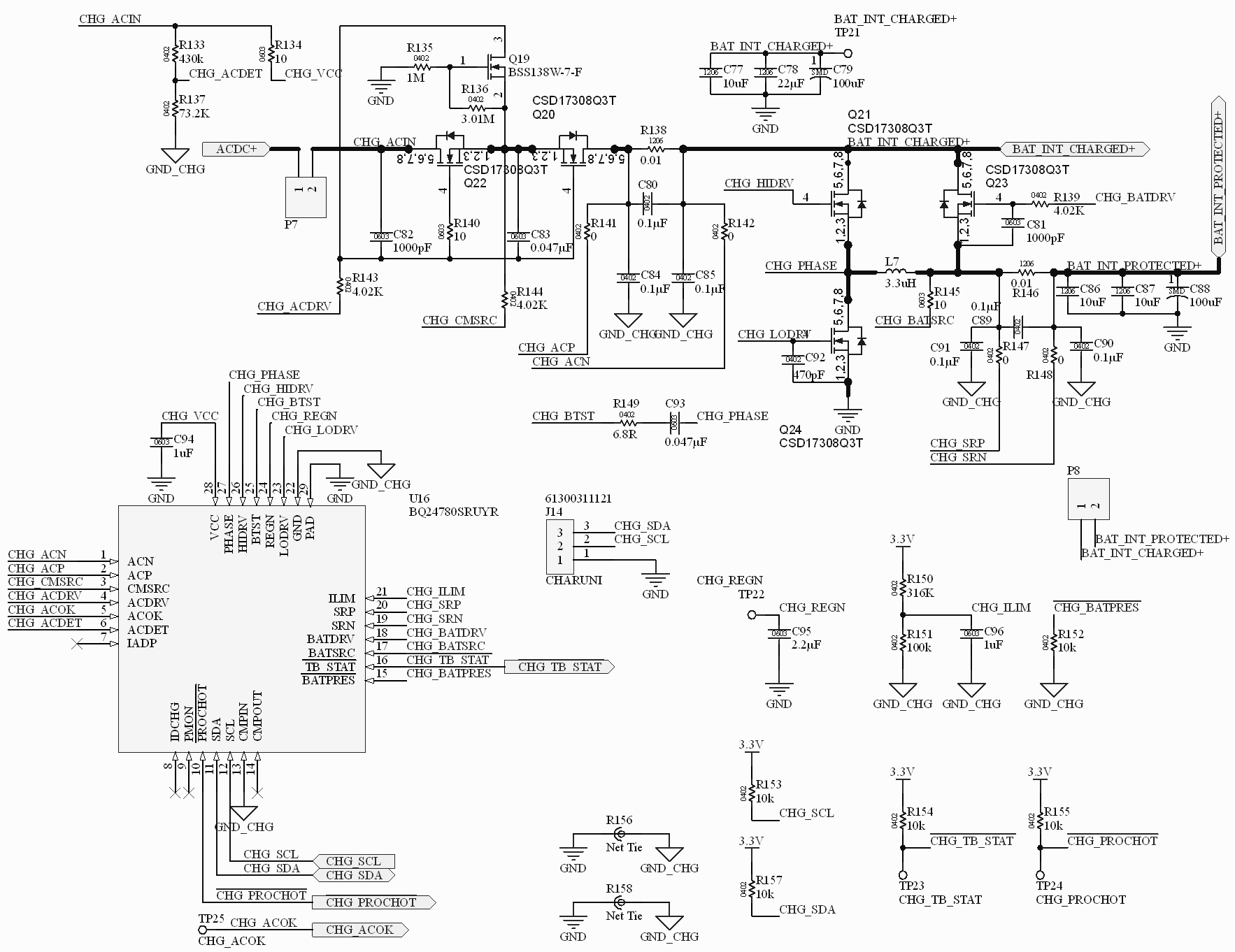
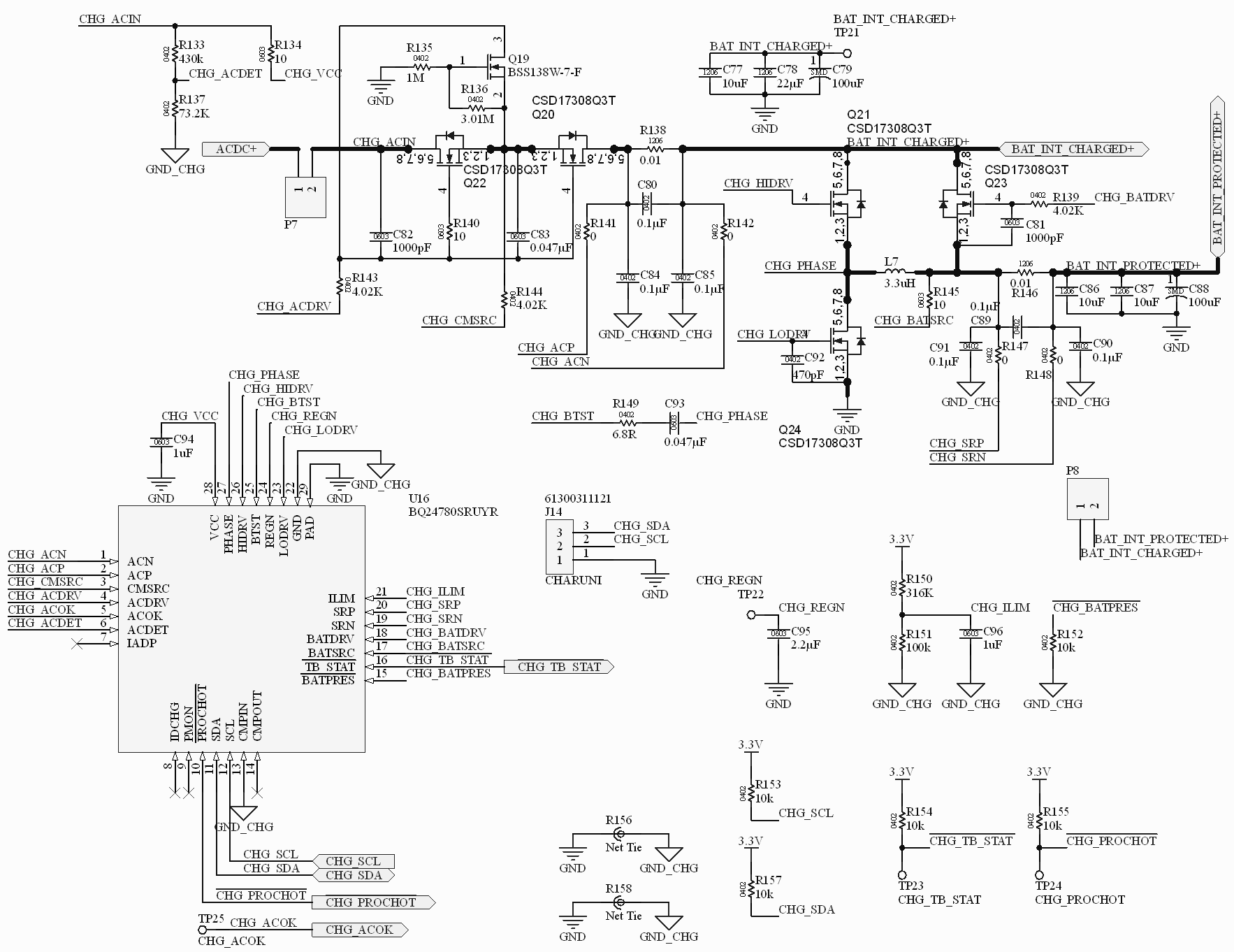
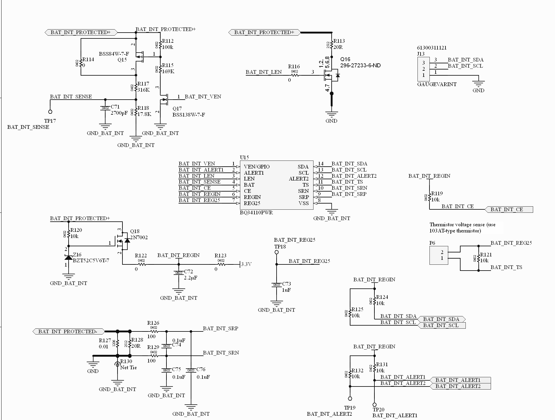
A system includes a battery, gauge and charge as show the diagram below.

The gauge and charger are working as expected, however there is a situation where the system shows the battery state as present after the battery is removed. This situation is caused by the output capacitors of the charger, which take long time to discharge with the battery gauge. 

Please, may I know if there is a suggested approach in order to detect the battery state (absent or present) intermediately after the battery is removed? Please, consider the battery doesn't have a detection pin. Just the two power contacts (+/-).

Thanks

  • Hi,

    How big is your output capacitor, and how are you currently doing your battery detection? Please share your schematic.

    Best regards,

    Angelo

  • Hi Angelo,

    • The capacitor is 20uF (similar to the BQ24780SEVM). 
    • Currently, the battery detection is based on the communication with the Gauge. When the gauge respond, means there is power in.
    • Below an update simplified diagram and schematics

    Thanks

  • Hi,

    Unfortunately, since the battery and the 20 µF capacitor are in parallel, I don’t think there is a straightforward way to determine whether VBAT is coming from the battery or from the 20 µF capacitor.

    The /BATPRES pin on the BQ24780S provides the functionality you’re looking for, but this feature is designed for battery packs that have a detection pin, not just the +/- terminals. If you can use a different battery pack that has a detection pin, then this would be the simplest solution.

    A workaround solution that you could try is connecting a resistor from BAT to GND in order to discharge the 20 µF capacitor when the battery is removed. However, this approach has the clear downside that it can also drain the battery when the battery is connected and powering the system.

    Best regards,

    Angelo

  • Hi Angelo, 

    In this application, the battery is external and must be connected with only two (2) plugs to the device unit, making impossible to include a detection pin.

    Thanks for your feedback and suggestions