This thread has been locked.

If you have a related question, please click the "Ask a related question" button in the top right corner. The newly created question will be automatically linked to this question.

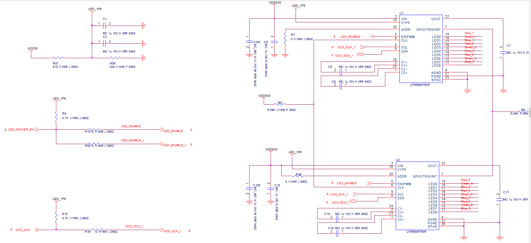
LP5569: Enable Issue

Part Number: LP5569
Other Parts Discussed in Thread: LP5562

Dear Team,

When I was using the LP5569,
When I turn the LEDs on,
Then I pulled the pin of EN/PWM down,
But the LEDs are still on, and you can continue to follow the instructions.

If the EN/PWM pin is first pulled low after power-on,
After the initial control IC, it will not be initialized at this time, and the command cannot be executed.


The LP5562 is used without this problem.
First turn the LED on, then EN/VCC pin pulls Low,
The LED will go out,

If the pin of EN/VCC is pulled first after power-on,
After the initial control IC, it will not be initialized at this time, and the command cannot be executed.


I don't know if my initial control IC program/step is wrong?
Init of LP5562:
I2cset -y 0 0x30 0x0 0x40
I2cset -y 0 0x30 0x70 0x0

Init of LP5569:
I2cset -y 0 0x40 0x0 0x40

BR

Kevin