This thread has been locked.

If you have a related question, please click the "Ask a related question" button in the top right corner. The newly created question will be automatically linked to this question.

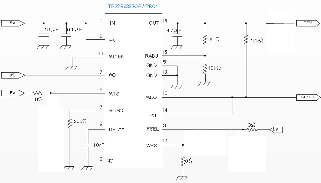
TPS7B63-Q1: WD and PG pin configuration

Part Number: TPS7B63-Q1

Hi Team,

My customer thinks to apply attached pin configuration.

- Wiring OR connect with WDO and PG

- Connect WD_EN to GND 

- Configure as Standard WD mode

- Reset MCU while PG = Low or WD Timer out event.

(1) In case WD_EN is connected to GND, will WD Initialization start just after PG shifts to High state?

(2) With Standard WD mode, is it OK WRS port connecting to GND?

Best regards,