This thread has been locked.

If you have a related question, please click the "Ask a related question" button in the top right corner. The newly created question will be automatically linked to this question.

BQ77PL900EVM-001: LDO Initialization fail

Part Number: BQ77PL900EVM-001

Hello,

To enable integrated regulator, 16V is applied to PACK pin and 37V is applied BAT pin.

At that time REG1 and REG2 output work well, and can set registers via BQ77PL900 evaluation software.

But if remove power from PACK pin, it doesn't work. 

Why this kind of symptom is occurred and how can fix it?

Regards,

Nicky 

  • Hi Nicky,

    You do not mention the individual cell voltages.  If the cell voltages are not provided by a resistor divider for the EVM or individual voltage sources or cells, the BQ77PL900 will turn off without PACK voltage.  This is the low voltage shut down feature.

    Apply cell voltages to the EVM and check operation again.  If the board was operated without individual cell voltages check the operation of the board to be sure inputs are not damaged since it is not certain how the 37V may have divided across the open cells. 

  • Hi WM5295,

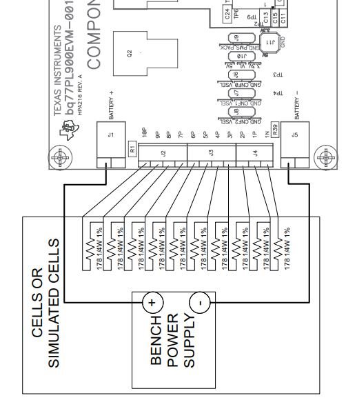
    Connected 180ohm resistors as EVM user guide recommend as below. 

    Regards,

    Nicky

  • Hi Nicky,

    That connection looks correct.  With the voltages you described each cell should see 3.7V and the part should stay on.  The behavior you describe is consistent with the part seeing a cell undervoltage and turning off. 

    I would recommend the following techniques:

    1. Visually inspect the board to be sure there is no contamination between the pins of the IC which might short an input.
    2. Visually inspect the back side of the board where the input filter components are located to be sure none have been damaged or contaminated.
    3. With the voltage applied as above, check the voltage of each cell at the terminal block to see if one is lower than the others.  If the part has a short between 2 pins the input resistors will be in parallel with the divider resistor and you should see a clear voltage difference.  If there is not a direct short it may be more subtle. 
    4. With the EVM you can select how many cells are checked for UV with the configuration jumpers.  If the problem cell is in the upper 5 you can de-select that cell and the part will stay on.
    5. Measuring the voltage across the input resistors can may show an unusual voltage drop and identify the problem input or inputs.  This can be difficult since the input resistors are on the back side.
    6. Measure between the pins on the the IC, the voltage should match the simulated cell voltage at the terminal block.
    7. If you use I2C to put the part in host mode you can select different cells for output and search for one which shows a lower voltage (higher output voltage due to the scaling).  Also the part does not shut down from UV in host mode, so the charger voltage can be disabled if desired.

    If the board has had previous use, someone may have programmed a non-default protection voltage, but 3.7 is above the available settings, so that is not a concern in your situation.

    When the offending input or inputs are found, clean or repair the solder or traces as needed.  If the problem is not in the external circuit the IC or board will need replaced.

  • Hi WM5295,

    Now, REG1 and REG2 output works well.

    But there is another issue as below.

    When EVM works well, XALERT output is OK.

    If ON/OFF Charge and Discharge repeatly , XALERT output is not out and EVM does not work.

    At that time, measured Waveform is as attached. 

    Could you let me know, why this kind of symptom is occurred?

    And how can I fix it?

    BQ77PL900 TEST.xlsx

    Regards,

    Nicky

  • Hi Nicky,

    The Status section of the GUI screen shows no fault in the normal condition and both OV and UV in the condition identified as abnormal. 

    You might also look at the XRST signal and see when it is released.

    It is odd the BAT voltage steps before you power on the part, but that may not have anything to do with the turn on. 

    In standalone mode the part will recovery from the faults automatically if the voltage is suitable.  You should check to see why the voltage is both OV and UV.  In the waveforms the only thing that looks different is the REG2 voltage has not fallen low.