This thread has been locked.

If you have a related question, please click the "Ask a related question" button in the top right corner. The newly created question will be automatically linked to this question.

LM27761: Ripple problem in light load of LM27761

Part Number: LM27761
Other Parts Discussed in Thread: TPS60401, LM2776

I have a problem about LM27761. The ripple is about 30mV in light load. I want to make the ripple less than 10mV. The temperature is 25℃, the load current is 20mA. The input voltage is 5V, output voltage is -5V.  Due to their size, I cannot accept the design of adding an LDO and I can’t increase the load.

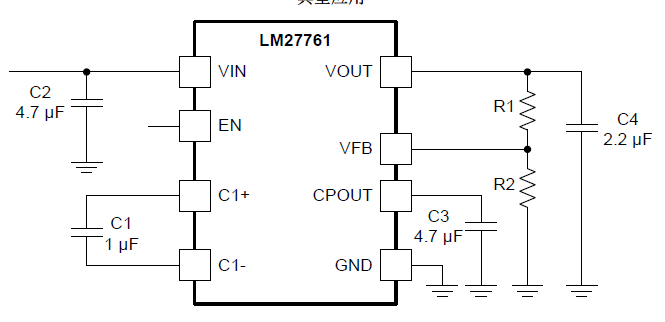
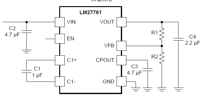
C1 is 1uF. C3 is 10uF. C2 and C4 is 0.1uF,4.7uF,10uF in parallel.

  1. When the load current is small, the IC will automatically work in the PFM mode. At this time, the ripple is large, about 30mV, and the frequency is the same as the frequency of the PFM.
  2. Increase the load current to about 80mA. At this time, the IC works in PWM mode, and the ripple is small.
  3. Adjusting the value of C1 can make IC work in the PWM mode when the load current is small, that time the ripple is small, but in this case, the output voltage will decrease when the load current increases.

  • Hi Pan,

    The LM27761 already includes an LDO.  Where did you connect the load: the VOUT or CPOUT?

    In any case, the D/S should explain that you cannot achieve -5.0V from +5V due to the output impedance of the charge pump.  The -5V will be a little less than whatever voltage the input is at.  This is likely ok for your application.

    As you noticed, the LM2776 series has a PFM mode.  This makes higher ripple at light loads.  The TPS60401/2/3 are fixed frequency charge pumps which should have lower ripple.