This thread has been locked.

If you have a related question, please click the "Ask a related question" button in the top right corner. The newly created question will be automatically linked to this question.

TPS61193: Display backlight brightness is decreasing over time

Part Number: TPS61193

Hello,

i have a problem with my custom pcb, using the TPS61193 for a backlight of a display.

Powering the PCB, the controller starts PWM and enables the TPS-Driver. Then my Display starts to show me a picture with a good brightness but after a 4-5 minutes, the TPS-Driver has dimmed the brightness and the Display looks way to dark.

I´m using a Display with Vf = 27.9V; Imax=60mA. It has one LED-String on Vout1. Vout2 and Vout3 are tied to GND, since they are not used.

I tryed different resistorvalues for the feedbackloop (R505) - but no differences. It looks like the Vout1 Voltage get´s above MID_COMP and so the TPS-Driver is adjusting downwards.

Maybe you can take a look on my schematic. I also added a screenshot of the Vout1, VBoost and the V(VBoost-Vout1) Voltage.

Thank You

  • Hi Max,

        So commons as below:

        1. R505 should be set about 700kohm, 620kohm is a little low;

         2. Have you checked the fault pin, is there any signal change when you observed that the output voltage drop and brightness change?

        3. Is this a thermal issue? 

         4. Schematic seems ok.

    Regards

    Sean

  • Hello Sean,

    Thank you for the reply.

    I changed the Resistor-Value to 720kohm but it still has the same behaviour.

    Then i checked my Inductor. I use the SRR4828A-330M with Isat=0.6A - I think Isat is to low, since it is recommended to use a Inductor with at least Isat=2.5A. I also calculated Isat with Equation 4 from the Datasheet and got Isat=1.3A. With this Information i replaced the Inductor with a 33uH/Isat=2A but still without any change.

    Things got even worse since it is not only dimming but the Driver stops working after a few minutes.

    End of the week i get my Thermal-Camera to check the temperatures (I finger-tested the parts - none of them are warm/hot).

    A few Days ago, I noticed in the PCB that Pin Out2 was not connected to GND (Altium didn´t registered that error...). I connected Out2 to GND but it´s the same... Could the driver be damaged because Out2 was not connected from beginning?

    And i checked Fault Pin but never registered any Fault.

    Max

  • Hi Max,

        Thanks for that lots of action, for this situation, I suggest you change another device and repeat the teat. Maybe that devices has been demaged.

        For Fault pin, you need to pull up this Pin to VDDIO pin, because this is Open-drain circuit.

    Regards

    Sean

  • Hi Sean,

    When i checked the Fault-Pin, i connected it to 3.3VDC via a PullUp-Resistor, but it indicated no error.

    I also checkt the behavior of another Board wich i had at hand - but it is the same with it.

    Is there another Driver IC you can recommend for this application, in case of not solving this problem?

     Thank you

    Max

  • Hi Max,

        You can check LP8869 which is P2P with TPS61193 and this is the new device.

    Regards

    Sean

  • Hi Sean,

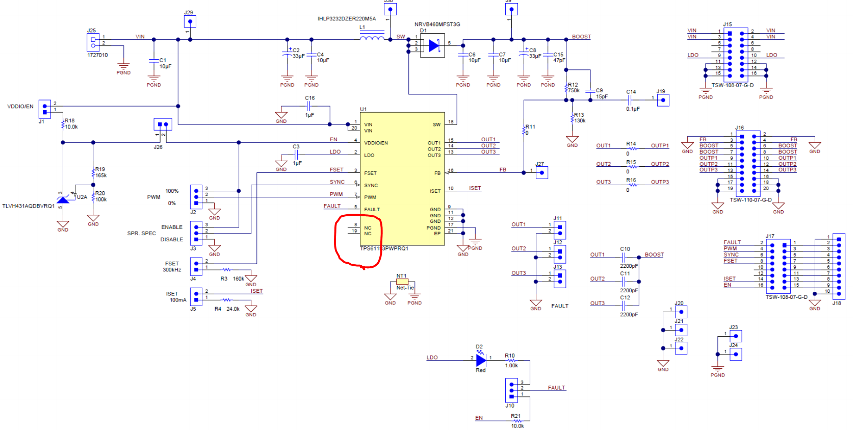
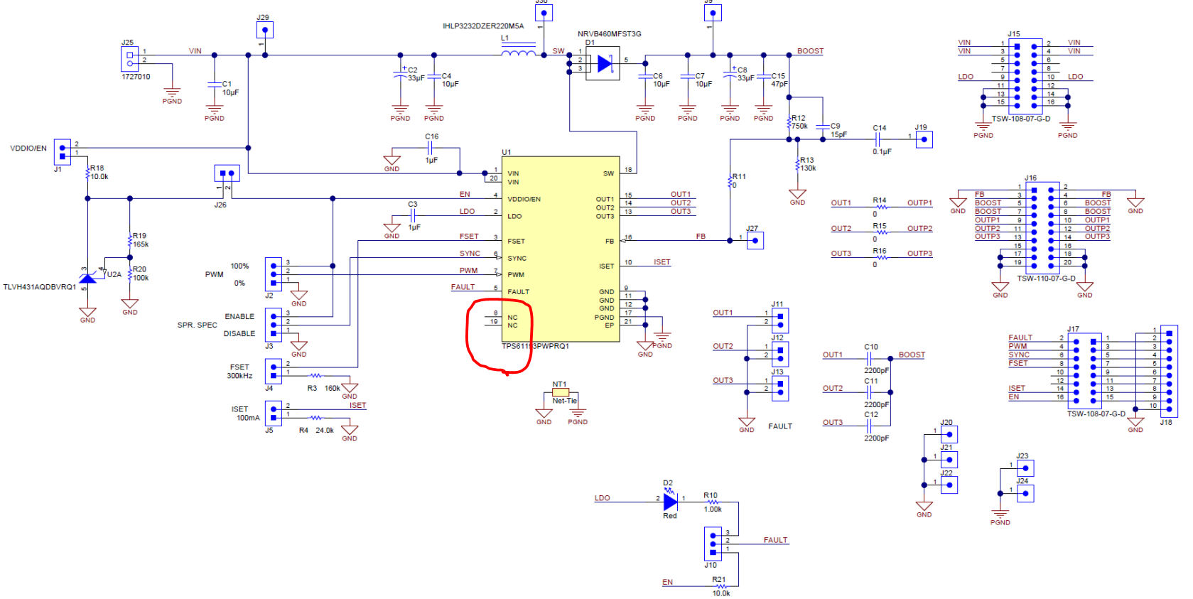
    I think i finally found the mistake. As you can see in the schematic, i connedted Pin 8 and Pin 19 to GND but in the Datasheet it says they´re NC-Pins. After cutting the legs of these two pins, my voltage keeps constant.

    Can you tell me something about these two Pins? Do they have some kind of hidden function or influences to the Driver?

    thank you

    Max

  • One more: I ordered the Eval-Board of the TPS61193 and there is Pin 19 tied to VIN. Why?

  • Hi Max,

        I have checked TPS61193EVM schematic, P19 is not connected to Vin as below:

        

    Regards

    Sean

  • Hi Sean,

    I thought the pin is connected to pin 20 in the PCB, but that's probably because of the dotted line.

    Thank you, 

    Max

  • Hi Max,

        Don't worry about this pin, for your design, you need just float this pin.

    Regards

    Sean