This thread has been locked.

If you have a related question, please click the "Ask a related question" button in the top right corner. The newly created question will be automatically linked to this question.

TPS81256: tps81256 trouble with enabling/disabling and understanding output

Part Number: TPS81256

Hello,

I have the tps81256SIPR providing 5V from a 3.3V input. 

Information is scarce at this moment due to the holidays but I wanted to kick this off with the information I have now.

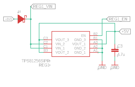
First the wiring to the device:

Next, we have some circuitry connected to the REG1_EN signal to enable or disable the device. There is a battery pack which when inserted provides up to 80V so this dropped and ultimately limited to 4.7V with a Zener.

When 3.3V is applied to the REG1_VIN and the battery is inserted such that 4.7V appears on REG1_EN the device operates as expected and outputs 5V. 

When the battery is removed while maintaining the 3.3V input the device I see REG1_EN drop below the threshold however the output does not stop. It will produce an output voltage up to about 3V. This is in a negligible load scenario (very small current draw from the regulator.)

I expect 0V output in this scenario why would there continue to be an output voltage only lowered from the nominal 5V?

Some thoughts: the device is regularly subjected to a scenario in which REG1_VIN is 0V and REG1_EN is 4.7V. Some devices list maximum rated voltages as related to the main input voltage. This datasheet does not relate the maximum rated voltage for any pin to the voltage of another pin. Should it? In other words is it possible I am damaging the device by providing a voltage to the Enable line while the device is not receiving power?