This thread has been locked.

If you have a related question, please click the "Ask a related question" button in the top right corner. The newly created question will be automatically linked to this question.

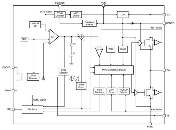
LMR23630: About LMR23630 Functional Blocks

Part Number: LMR23630

Hello,

 

I’m looking the LMR23630 datasheet functional blocks, and got some questions.

 

Could you explain what and how the PFM Detector block works?

Does it affect to change the mode from PWM to PFM? Could you explain detail?

 

And Can you explain how the Rc and Cc are affected to the compensation?

http://www.ti.com/lit/ds/symlink/lmr23630.pdf

Thank you