This thread has been locked.

If you have a related question, please click the "Ask a related question" button in the top right corner. The newly created question will be automatically linked to this question.

BQ24616: Delay between switching from Adapter to Battery power

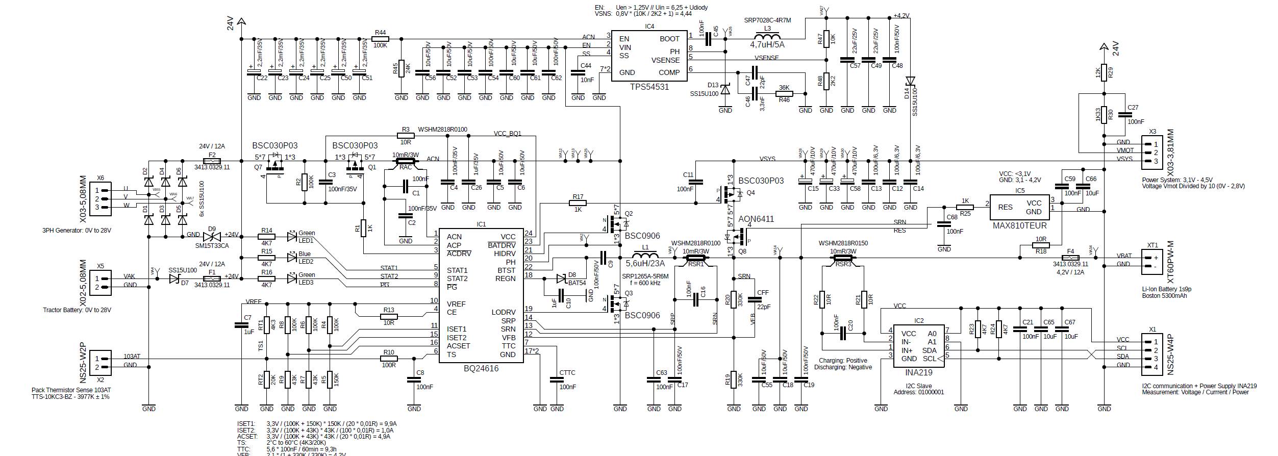
Part Number: BQ24616

Hello TI,

I found problem with my BQ24616 charger for 1s (4.2V) battery. When I turn off/disconnect the Adapter it tooks ca 2sec to fully turn-on the Q4 (BATFET) controled by BATDRV/ pin. During that time the system (VSYS) is powered only thru the diode of Q4 which causes ca 0.8V drop on VSYS. When measuring the voltage on the BATDRV/ pin, it immediately drops from ACN voltage to ca 4V, then it stays on this value for the ca 2sec and then it falls down to 0V which finally fully open the Q4. Is this long "dead-time" normal or is there any problem in my design?

  • Hi Pavel,

       Please take a scope capture of VCC, ACDRV, BATDRV, and SYS voltage when you unplug the adapter. The break before make delay from turning on BATDRV after turning off ACDRV is 30ms, but only after SLEEP threshold has been hit. What is your input voltage?

  • Hi Kedar,

    we found, that our problem is in the huge input capacity from DClink used in our circuit (particularly slow discharging after adapter supply is removed), when the DClink capacitors are removed/shorted, the BQ24616 switches between adapter and battery exactly as fast as is described in datasheet.