This thread has been locked.

If you have a related question, please click the "Ask a related question" button in the top right corner. The newly created question will be automatically linked to this question.

TPS54560B: TPS54560B output ripple issue

Part Number: TPS54560B

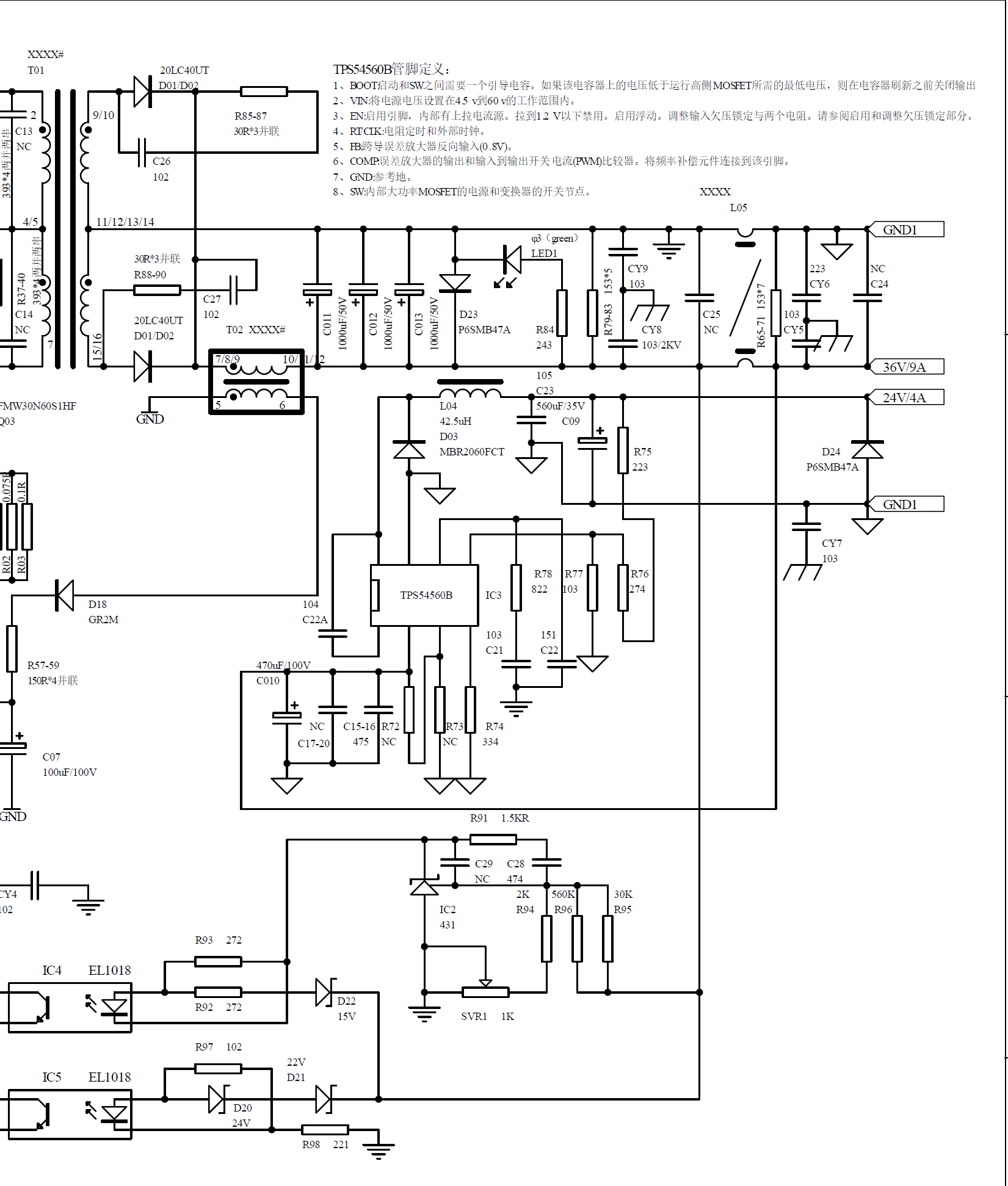
My customer's power product, using TPS54560B, found Vout ripple issue. 

The spec is Vin:36V, Vo: 24V, Io: 4A

Have 10 boards with much larger ripple among 100 boards, 150mV~200mV ripple. But the normal ripple is 50mV.

the design & board & external components are exactly the same, and related pics are as below, pls give some suggestion.

  • Hi Lin,

    Pls download circuit calculator for TPS54X60 on TI website to calculate external components.

    I assume ESR is about 60 mohm for Cout C09 560uF 35V:

    R278=8.06K, C21=0.47uF, C22=4.7nF

    Pls try if it improve output ripple.

    C15-16 MUST be assembled, place 0.1uF 100V cap close to VIN pin and  D03 GND.

    B R

    Andy