This thread has been locked.

If you have a related question, please click the "Ask a related question" button in the top right corner. The newly created question will be automatically linked to this question.

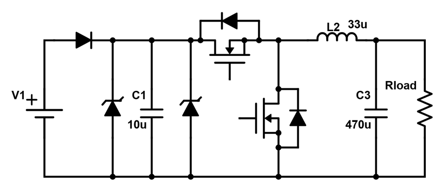
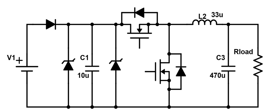
Does TI device safe against reverse current?

Dear engineers,

I would like to ask if TI's power device (DCDC, LDO) is thought about reverse current.

In case of other company's device, the device was broken when customer suddenly switch off V1 for 2msec due to reverse current from C3 through body diode.

However they haven't experienced similar issue with TI's device.

The reason the device was broken is the company is start-up, so that they may not have know-how.

Anyway, if you take care about reverse current to design any power device, could you share? like diode which block reverse current or makes silicone die thick.
This question is a general question, I would appreciate somebody engineers answer.

Best regards,

Koyo