This thread has been locked.

If you have a related question, please click the "Ask a related question" button in the top right corner. The newly created question will be automatically linked to this question.

TPS55340: Shutdowns intermittently occurring during temperature transitions

Part Number: TPS55340

We are using the TPS55340 for a 8.0V -> 16V boost regulator.  Schematic is attached below.

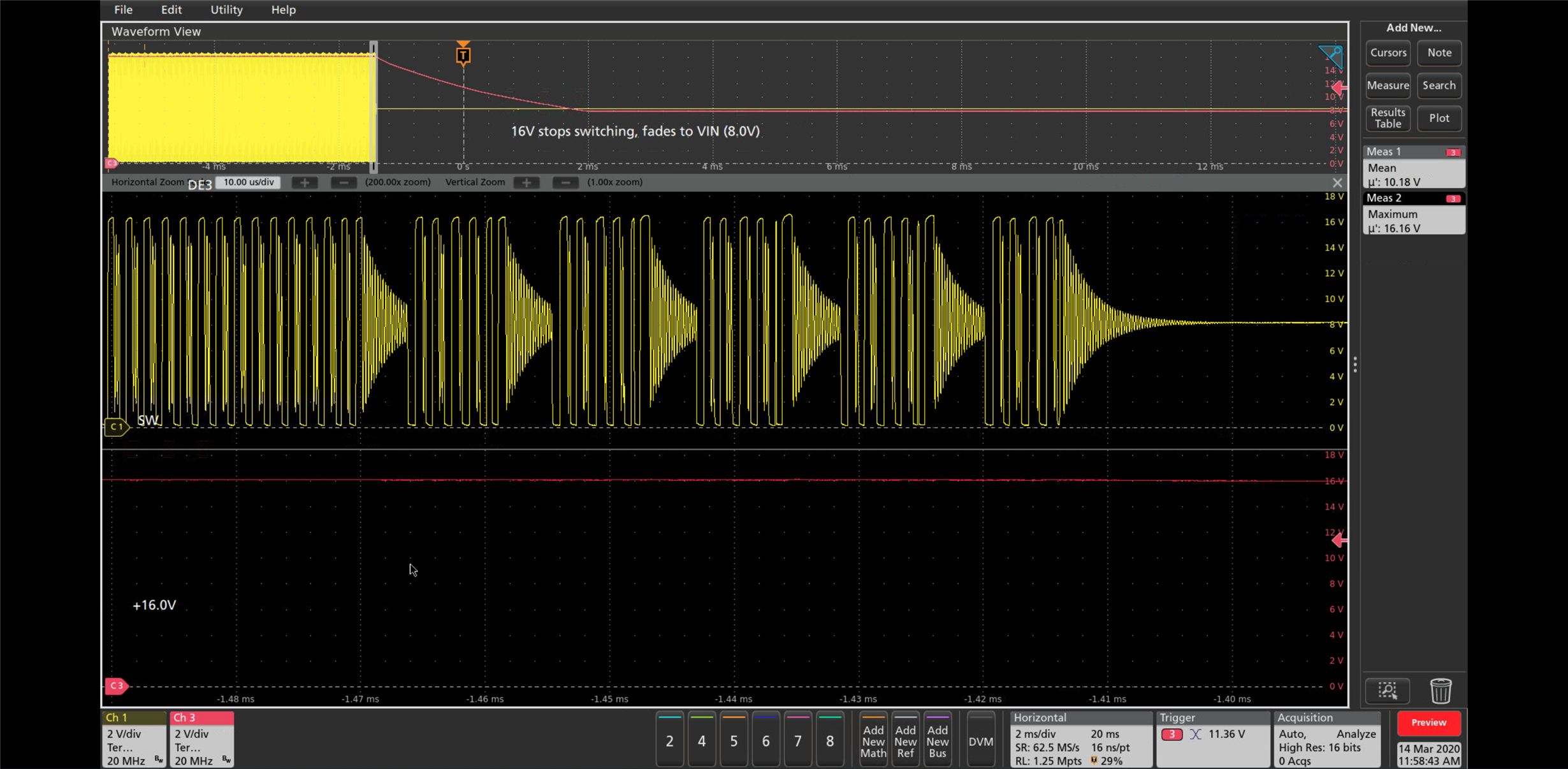
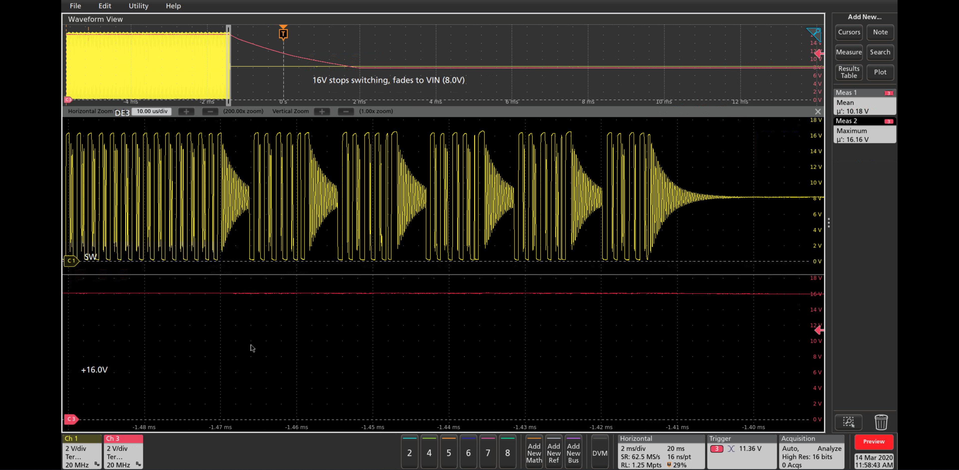
Several boards are exhibiting an issue where as the board temperature transitions from ~52C to 55C, the 16.0V drops out to the Vin of 8.0V.

Sometimes this recovers and boosts back to 16V, and sometimes it does not and remains at Vout = VIN.

The EN line remains high, and the SYNC = 700KHz remains stable.

The TPS55340 device itself does not appear to get getting significantly hotter than 55C.

Could you review the schematic below, and recommend what else to look at?

Also attached is the waveform showing the switching node and the Vout, zoomed in at the point it stopped switching.