This thread has been locked.

If you have a related question, please click the "Ask a related question" button in the top right corner. The newly created question will be automatically linked to this question.

TPS54308: Noise/ripple + DC level issues on VOUT with increasing VIN

Part Number: TPS54308
Other Parts Discussed in Thread: TPS54302EVM-716

Hi.

I'm have some of the same issues as https://e2e.ti.com/support/power-management/f/196/t/858796, however I'm only doing a single supply. 4,5V-26,4V to 3,3V.

I followed the WEBENCH design (and have the same design as the 3,3V design in the above link). I have not tried replacing with a TPS54302.

Let my try to explain what I'm seeing. 

From VIN = 4,3V-8,5V everything seems good. VOUT and SW looks reasonable. VOUT = 3,26V and 100mV peak-peak ripple (could be better according to simulations).

Image 1: VOUT @ VIN = 8,4V


Image 2: SW @ VIN = 8,4V

Raising VIN seems to increase ripple on VOUT and SW begins to look wrong.


Image 3: VOUT @ VIN = 8,7V


Image 4: SW @ VIN = 8,7V


Image 5: VOUT @ VIN = 11,7V


Image 6: SW @ VIN = 11,7V


Image 7: VOUT @ VIN = 15,7V


Image 8: SW @ VIN = 15,7V


Image 9: VOUT @ VIN = 20,2V


Image 10: SW @ VIN = 20,2V


As you can see ripple increases significantly. 

This proceeds until VIN = 20,4V. Around 20,4V a very high audible noise occurs. Above this, the signals look nice again, and power consumption drops to ~50% just after the signals look nice again.

Image 11: VOUT @ VIN = 20,5V


Image 12: SW @ VIN = 20,5V


Image 13: VOUT @ VIN = 23,6V


Image 14: SW @ VIN = 23,6V

 

Some observations:

1. VOUT drop when increasing VIN.  VOUT = 3,24V @ VIN = 4,7V  /\  VOUT = 3,08V @ VIN = 23,6V

2. During the middle phase (8,6V - 20,4V) current consumption stays the same indicating poor performance from the regulator. In the outer phases were everything seems good we are pulling ~400mW.

4,7V VIN = 0,08mA

8,7V VIN = 0,06mA

11,7V VIN = 0,06mA

15,7V VIN = 0,06mA

18,7V VIN = 0,06mA

20,1V VIN = 0,06mA

20,7V VIN = 0,02mA

This is mounted on a PCB from a PCB manufacturer.

I have double checked all solderings and on a second board manually double soldered all solderings.

This issue persists across 3 different prototypes.

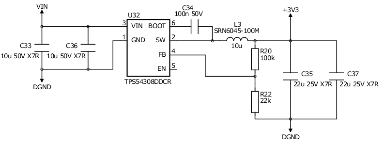
See below for schematic and PCB of circuit.

Image 15: Schematic of circuit.

Image 16: PCB layout of circuit.

 


I'd appreciate some assistance ASAP as this product is pending my approval for he manufacturer to continue.

Regards Mathias