This thread has been locked.

If you have a related question, please click the "Ask a related question" button in the top right corner. The newly created question will be automatically linked to this question.

BQ78350-R2-DEVICE-FW: Vbat and Vaux measurements

Part Number: BQ78350-R2-DEVICE-FW

Hi there,

According the bq78350 DS, there are two measurements regarding battery pack:

1- Average cell voltage, via Bat pin (and VEN): This one seems to be required by the fuel gauge algorithm. Ok, that's fine.

2- Vaux pin: ¿?¿?

 

What’s the idea to this Vaux measurements? It is mandatory? What’s it is intended for?

Maybe is ONLY to report via the SMBus the voltage on this pin.

  • Hi Albert,

    VAux is optional and is not used in most applications. It should be tied to VSS if unused. If there is another voltage in your system you would like to measure with the ADC, you can connect that voltage to this pin. A resistor divider may be needed since the input range for VAux is 0-1V. (Similar to the BAT pin, and VEN can also be used to save power for VAux measurements).

    Best regards,

    Matt

  • Understood.

    I have read some more on the TI documentation and seems that the Vaux is useful to "recovery", have a look below.

    Seems that IF the BMS detects the Vaux (link to Vpack) greater than the battery pack, that's means that the BMS is assembled into the charger system. So it's useful to the feature "recovery".

    But whats the meaning of "recovery"? Could you explain me a bit?

    thanks a lot

  • Hi Albert,

    You can read about this feature in Chapter 3 of the BQ78350-R1 Technical Reference Manual: http://www.ti.com/lit/pdf/sluubd3

    It can be used to recover from some protections by detecting a charger is detected.

    Best regards,

    Matt

  • Thanks Matt.

    Understood:

    1) Current-based protections can be recovery by PRES pin.

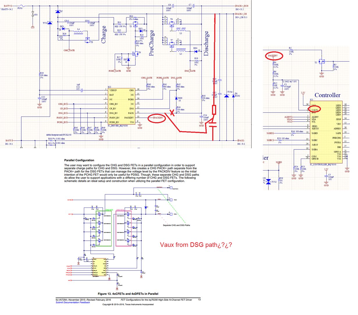
    2) In addition, the errors 3.3 Cell Overvoltage Protection and 3.5 Overcurrent in Discharge Protection, can be recovery via Vaux. In this case the Vaux pin have to be linked to the CHG pack pin; and not from the DSC pin. Is that correct? Note that I'm working with High side Mosfet and CHG and DSC path separately.

    I have based my design with the SLVA729A and there, the Vaux is linked to the DSG path?¿?¿ 

    In my opinion this is a nonsense in terms to recovery errors. You agree?

    Please have a look to my schematic and my proposal in red. What do you think?

    To recovery the errors from Vaux, the Vaux pin have to be link to CHG path. You agree?

    thanks

  • Hi Albert,

    The BQ78350 does not support parallel FET paths. It only is programmed for series FETs. See this thread for a more detailed explanation: https://e2e.ti.com/support/power-management/f/196/t/664995

    This thread also explains the difficulty of having only the Vaux pin since it can monitor only one of the PACK+ pins for recovery. VAux can be used as a recovery option for both over-votlage protections and for over-current in discharge protection.

    Best regards,

    Matt

  • Hi Matt,

    As always thanks a lot.

    Nevertheless I think that I can work with a parallel FETs because the pack will work in different systems when is under charge or discharge. There are two equipments the charger and the load. And in both of them, works with a host so if any fault is detected the process will be terminated and reported and the to the user. What do you think?

    Let me come back to PRES pin. I'm trying to work with it. The idea is really easy, if the pack is assembled into the system, then the CHG and DSG are operative; otherwise are NOT operative.

    I'm doing some test to check this expected behavior and I don't why; but doesn't work. Probably my fault.

    On the PRES pin I have a 100kohms pullup; and a switch to VSS.

    -->The bqStudio report the PRES bit set to 1 or 0 (according to the switch) BUT in BOTH cases the current is -30mA (witch means 300mA on discharging). SO DOESN'T CUT THE PATH!!!! 

    WHY? Maybe some EEPROM parameter has to be set; but the DS doesn't show anything regarding parameters, seems that is just the PRES pin status.

    In addition, Why the BQStudio show the  on "Bit Registers" windows 0x4104 or 0x4105 (depending to the PRES pin detection); AND on the "Watch" window is always set to 0?

    Thanks a lot .

  • Hi Albert,

    I'm not sure about the Watch window issue - that could be a bug we haven't discovered before. The PRES pin should disable the FETs when high. There is an internal pullup on this pin and the pin is sampled every 250ms to save power. Can you check the status of the xCHG and xDSG bits in both cases?

    Thanks,

    Matt

  • Hi Matt, 

    thanks.

    Regarding the watch window, If you take note is enough for me. Let's forget it.

    About the xDSG and xCHG bits. Have a look to the picture attach.

    I was trying a discharge process with -300mA, in this case:

    -> XDSG=green=bit low=Discharging disable set to inactive. (Which means DSG active.)

    -> DSG=red=bit high=DSG FET STATUS set to Active.

    Finally you can see that the BQStudio detects the PRES pin (with a external switch) set to 0 and 1. In both cases the previous bits ARE THE SAME!!!!

    What do you think? Do you want some oscilloscope measurement?
    Do you think that the Series/paralel FET configurations has something to do? (In this test the CHG was unconnected).

     

    thanks a lot

  • Hi Albert,

    This is strange. I would expect the DSG bit to go low in this case. Can you capture a log file from BQStudio and send it along with your data flash settings (click on Export on the Data Memory screen to save a .gg.csv file)?

    Thanks,

    Matt

  • Hi Matt,

    Attach the log and .gg.csv files.

    I'm going to try with your starter kit. If you need more info let me know.

    thanks a lot.

    Wed Jun 03 10:53:02 CEST 2020
    
    Device Name = bq78350R2
    Firmware Version = V2_02_BLD0028
    
    Design Capacity = 4400
    Design Voltage = 3600
    Specification Info = 0x1031
    Manufacturer Date = 1980-1-1
    Serial Number = 0x0001
    Manufacturer Name = Texas Instruments
    Device Name = bq78350
    Device Chemistry = LION
    
    Sample,DateTime,ElapsedTime,ManufAccess,RemCapAlarm,RemTimeAlarm,BattMode,@Rate(@),@TimeFull,@TimeEmpty,@RateOK,Temperature,Voltage,Current,AvgCurr,MaxErr,RSOC,ASOC,RemCap,FullChgCap,RunTimeEmty,RunTimeEmty,AvgTimeFull,ChgCurr,ChgVolt,BattStat,CycleCnt,PendingEdv,SoH,OpStatA,OpStatB,TempRange,ChgStat,GaugeStat,MfgStat,SafetyAlertAB,SafetyStatAB,SafetyAlertCD,SafetyStatCD,PFAlertAB,PFStatAB,PFStatAB,CellVolt1,CellVolt2,CellVolt3,CellVolt4,CellVolt5,CellVolt6,CellVolt7,CellVolt8,CellVolt9,CellVolt10,CellVolt11,CellVolt12,CellVolt13,CellVolt14,CellVolt15,ExtAvgCellVolt,TS1 Temp,TS2 Temp,TS3 Temp,CellTemp,FetTemp,GaugeInternalTemp,LogRowTime(ms),LogStatus
    1,2020-06-03 10:53:03,1.000,0x0061,300,10,0x6001,0,65535,65535,1,25.4,56998,0,0,100,84,84,3685,4400,65535,65535,65535,0,0,0x48C0,0,0,100,0x6100,0x0000,0x10,0x08,0x40,0x0200,0x0000,0x0000,0x0000,0x0000,0x0000,0x0000,0x0000,4063,4072,4074,4073,4062,4030,4027,4074,4075,4084,4090,4082,4084,4081,0,4665,-273.2,25.3,-273.2,25.3,-273.2,23.6,937,SUCCESS
    2,2020-06-03 10:53:04,2.000,0x0061,300,10,0x6001,0,65535,65535,1,25.3,56989,0,0,100,84,84,3685,4400,65535,65535,65535,0,0,0x48C0,0,0,100,0x6100,0x0000,0x10,0x08,0x40,0x0200,0x0000,0x0000,0x0000,0x0000,0x0000,0x0000,0x0000,4063,4072,4074,4073,4062,4033,4027,4074,4075,4084,4076,4082,4084,4081,0,4665,-273.2,25.3,-273.2,25.3,-273.2,23.6,937,SUCCESS
    3,2020-06-03 10:53:05,3.281,0x0061,300,10,0x6001,0,65535,65535,1,25.3,57004,0,0,100,84,84,3685,4400,65535,65535,65535,0,0,0x48C0,0,0,100,0x6100,0x0000,0x10,0x08,0x40,0x0200,0x0000,0x0000,0x0000,0x0000,0x0000,0x0000,0x0000,4063,4072,4074,4073,4062,4051,4028,4074,4074,4056,4090,4082,4084,4081,0,4675,-273.2,25.4,-273.2,25.4,-273.2,23.5,937,SUCCESS
    4,2020-06-03 10:53:06,4.250,0x0061,300,10,0x6001,0,65535,65535,1,25.4,56990,0,0,100,84,84,3685,4400,65535,65535,65535,0,0,0x48C0,0,0,100,0x6100,0x0000,0x10,0x08,0x40,0x0200,0x0000,0x0000,0x0000,0x0000,0x0000,0x0000,0x0000,4063,4072,4074,4073,4062,4053,4026,4074,4075,4084,4085,4084,4084,4081,0,4670,-273.2,25.4,-273.2,25.4,-273.2,23.6,937,SUCCESS
    5,2020-06-03 10:53:07,5.203,0x0061,300,10,0x6001,0,65535,65535,1,25.4,57000,0,0,100,84,84,3685,4400,65535,65535,65535,0,0,0x48C0,0,0,100,0x6100,0x0000,0x10,0x08,0x40,0x0200,0x0000,0x0000,0x0000,0x0000,0x0000,0x0000,0x0000,4063,4072,4074,4073,4062,4031,4028,4075,4075,4078,4090,4082,4084,4081,0,4667,-273.2,25.4,-273.2,25.4,-273.2,23.5,937,SUCCESS
    6,2020-06-03 10:53:08,6.484,0x0061,300,10,0x6001,0,65535,65535,1,25.4,56999,0,0,100,84,84,3685,4400,65535,65535,65535,0,0,0x48C0,0,0,100,0x6100,0x0000,0x10,0x08,0x40,0x0200,0x0000,0x0000,0x0000,0x0000,0x0000,0x0000,0x0000,4063,4072,4074,4073,4062,4061,4026,4075,4075,4086,4088,4084,4084,4081,0,4670,-273.2,25.4,-273.2,25.4,-273.2,23.5,937,SUCCESS
    7,2020-06-03 10:53:09,7.437,0x0441,300,10,0x6001,0,65535,65535,1,25.4,56878,0,0,100,84,84,3685,4400,65535,65535,65535,0,0,0x48C0,0,0,100,0x4104,0x0000,0x10,0x08,0x40,0x0204,0x0000,0x0000,0x0000,0x0000,0x0000,0x0000,0x0000,4063,4072,4074,4073,4062,4057,4026,4074,4074,4082,4090,4083,4084,4081,0,4670,-273.2,25.4,-273.2,25.4,-273.2,23.5,938,SUCCESS
    8,2020-06-03 10:53:10,8.390,0x0441,300,10,0x6001,0,65535,65535,1,25.4,56999,0,0,100,84,84,3685,4400,65535,65535,65535,0,0,0x48C0,0,0,100,0x4104,0x0000,0x10,0x08,0x40,0x0204,0x0000,0x0000,0x0000,0x0000,0x0000,0x0000,0x0000,4063,4072,4074,4073,4062,4062,4027,4074,4075,4086,4084,4084,4084,4081,0,4675,-273.2,25.4,-273.2,25.4,-273.2,23.6,938,SUCCESS
    9,2020-06-03 10:53:11,9.343,0x0441,300,10,0x6001,0,65535,65535,1,25.4,57006,0,0,100,84,84,3685,4400,65535,65535,65535,0,0,0x48C0,0,0,100,0x4104,0x0000,0x10,0x08,0x40,0x0204,0x0000,0x0000,0x0000,0x0000,0x0000,0x0000,0x0000,4063,4072,4074,4073,4062,4059,4026,4074,4075,4075,4090,4083,4084,4081,0,4670,-273.2,25.4,-273.2,25.4,-273.2,23.6,938,SUCCESS
    10,2020-06-03 10:53:13,10.625,0x0441,300,10,0x6001,0,65535,65535,1,25.4,56980,0,0,100,84,84,3685,4400,65535,65535,65535,0,0,0x48C0,0,0,100,0x4104,0x0000,0x10,0x08,0x40,0x0204,0x0000,0x0000,0x0000,0x0000,0x0000,0x0000,0x0000,4063,4072,4074,4073,4062,4062,4025,4075,4075,4085,4089,4082,4084,4081,0,4674,-273.2,25.4,-273.2,25.4,-273.2,23.6,937,SUCCESS
    11,2020-06-03 10:53:14,11.578,0x0441,300,10,0x6001,0,65535,65535,1,25.4,56884,0,0,100,84,84,3685,4400,65535,65535,65535,0,0,0x48C0,0,0,100,0x4104,0x0000,0x10,0x08,0x40,0x0204,0x0000,0x0000,0x0000,0x0000,0x0000,0x0000,0x0000,4063,4072,4074,4073,4062,4061,4025,4075,4075,4083,4090,4082,4084,4081,0,4674,-273.2,25.4,-273.2,25.4,-273.2,23.6,937,SUCCESS
    12,2020-06-03 10:53:15,12.531,0x0441,300,10,0x6001,0,65535,65535,1,25.4,57001,0,0,100,84,84,3685,4400,65535,65535,65535,0,0,0x48C0,0,0,100,0x4104,0x0000,0x10,0x08,0x40,0x0204,0x0000,0x0000,0x0000,0x0000,0x0000,0x0000,0x0000,4063,4072,4074,4073,4060,4060,4023,4072,4075,4086,4090,4081,4082,4078,0,4669,-273.2,25.3,-273.2,25.4,-273.2,23.6,937,SUCCESS
    13,2020-06-03 10:53:15,13.484,0x0441,300,10,0x6001,0,65535,65535,1,25.3,56831,-16,-1,100,84,84,3685,4400,13819,65535,65535,0,0,0x48C0,0,0,100,0x4104,0x0000,0x10,0x08,0x40,0x0204,0x0000,0x0000,0x0000,0x0000,0x0000,0x0000,0x0000,4059,4068,4070,4069,4058,4053,4022,4070,4071,4077,4086,4078,4081,4077,0,4670,-273.2,25.3,-273.2,25.3,-273.2,23.6,937,SUCCESS
    14,2020-06-03 10:53:17,14.765,0x0441,300,10,0x6001,0,65535,65535,1,25.3,56930,-30,-3,100,84,84,3685,4400,7624,65535,65535,0,0,0x48C0,0,0,100,0x4104,0x0000,0x10,0x08,0x40,0x0204,0x0000,0x0000,0x0000,0x0000,0x0000,0x0000,0x0000,4058,4067,4069,4069,4058,4024,4024,4070,4070,3981,4086,4077,4080,4076,0,4670,-273.2,25.3,-273.2,25.3,-273.2,23.6,938,SUCCESS
    15,2020-06-03 10:53:18,15.718,0x0441,300,10,0x6001,0,65535,65535,1,25.3,56900,-29,-5,100,84,84,3685,4400,7370,44220,65535,0,0,0x48C0,0,0,100,0x4104,0x0000,0x10,0x08,0x40,0x0204,0x0000,0x0000,0x0000,0x0000,0x0000,0x0000,0x0000,4058,4067,4069,4068,4057,4056,4021,4070,4070,4080,4086,4078,4080,4076,0,4666,-273.2,25.3,-273.2,25.3,-273.2,23.6,938,SUCCESS
    16,2020-06-03 10:53:19,16.671,0x0441,300,10,0x6001,0,65535,65535,1,25.3,56910,-29,-6,100,84,84,3685,4400,7624,36850,65535,0,0,0x48C0,0,0,100,0x4104,0x0000,0x10,0x08,0x40,0x0204,0x0000,0x0000,0x0000,0x0000,0x0000,0x0000,0x0000,4058,4067,4069,4068,4057,4057,4020,4070,4070,3984,4084,4077,4080,4076,0,4662,-273.2,25.2,-273.2,25.2,-273.2,23.5,938,SUCCESS
    17,2020-06-03 10:53:20,17.640,0x0441,300,10,0x6001,0,65535,65535,1,25.2,56918,-29,-8,100,84,84,3685,4400,7624,27638,65535,0,0,0x48C0,0,0,100,0x4104,0x0000,0x10,0x08,0x40,0x0204,0x0000,0x0000,0x0000,0x0000,0x0000,0x0000,0x0000,4058,4067,4069,4068,4057,4056,4020,4069,4070,4077,4085,4077,4079,4075,0,4664,-273.2,25.2,-273.2,25.2,-273.2,23.5,938,SUCCESS
    18,2020-06-03 10:53:21,18.937,0x0441,300,10,0x6001,0,65535,65535,1,25.2,56928,-29,-9,100,84,84,3685,4400,7624,24567,65535,0,0,0x48C0,0,0,100,0x4104,0x0000,0x10,0x08,0x40,0x0204,0x0000,0x0000,0x0000,0x0000,0x0000,0x0000,0x0000,4058,4067,4069,4068,4057,4046,4022,4069,4069,4051,4085,4078,4079,4075,0,4657,-273.2,25.2,-273.2,25.2,-273.2,23.6,938,SUCCESS
    19,2020-06-03 10:53:22,19.890,0x0441,300,10,0x6001,0,65535,65535,1,25.2,56922,-29,-11,100,84,84,3685,4400,7624,20100,65535,0,0,0x48C0,0,0,100,0x4104,0x0000,0x10,0x08,0x40,0x0204,0x0000,0x0000,0x0000,0x0000,0x0000,0x0000,0x0000,4058,4066,4068,4068,4056,4051,4021,4069,4070,4078,4085,4078,4079,4075,0,4657,-273.2,25.2,-273.2,25.2,-273.2,23.5,938,SUCCESS
    20,2020-06-03 10:53:23,20.843,0x0441,300,10,0x6001,0,65535,65535,1,25.2,56904,-29,-12,100,84,84,3685,4400,7624,18425,65535,0,0,0x48C0,0,0,100,0x4104,0x0000,0x10,0x08,0x40,0x0204,0x0000,0x0000,0x0000,0x0000,0x0000,0x0000,0x0000,4057,4066,4068,4068,4056,4045,4021,4069,4069,4051,4084,4077,4079,4075,0,4656,-273.2,25.2,-273.2,25.2,-273.2,23.5,938,SUCCESS
    21,2020-06-03 10:53:24,21.796,0x0441,300,10,0x6001,0,65535,65535,1,25.2,56912,-29,-13,100,84,84,3685,4400,7624,17008,65535,0,0,0x48C0,0,0,100,0x4104,0x0000,0x10,0x08,0x40,0x0204,0x0000,0x0000,0x0000,0x0000,0x0000,0x0000,0x0000,4057,4066,4068,4068,4056,4048,4020,4069,4069,4080,4061,4079,4079,4074,0,4659,-273.2,25.2,-273.2,25.2,-273.2,23.5,938,SUCCESS
    22,2020-06-03 10:53:25,23.078,0x0441,300,10,0x6001,0,65535,65535,1,25.2,56919,-29,-14,100,84,84,3685,4400,7370,15793,65535,0,0,0x48C0,0,0,100,0x4104,0x0000,0x10,0x08,0x40,0x0204,0x0000,0x0000,0x0000,0x0000,0x0000,0x0000,0x0000,4057,4066,4068,4067,4056,4052,4019,4068,4069,4073,4084,4076,4078,4074,0,4660,-273.2,25.1,-273.2,25.1,-273.2,23.6,937,SUCCESS
    23,2020-06-03 10:53:26,24.046,0x0441,300,10,0x6001,0,65535,65535,1,25.1,56914,-30,-15,100,84,84,3685,4400,7370,14740,65535,0,0,0x48C0,0,0,100,0x4104,0x0000,0x10,0x08,0x40,0x0204,0x0000,0x0000,0x0000,0x0000,0x0000,0x0000,0x0000,4057,4066,4068,4068,4056,4047,4020,4068,4069,4080,4079,4079,4078,4074,0,4655,-273.2,25.1,-273.2,25.1,-273.2,23.5,938,SUCCESS
    24,2020-06-03 10:53:27,25.000,0x0441,300,10,0x6001,0,65535,65535,1,25.1,56916,-29,-16,100,84,84,3685,4400,7624,13819,65535,0,0,0x48C0,0,0,100,0x4104,0x0000,0x10,0x08,0x40,0x0204,0x0000,0x0000,0x0000,0x0000,0x0000,0x0000,0x0000,4057,4066,4068,4067,4056,4043,4021,4068,4069,4071,4084,4076,4079,4074,0,4656,-273.2,25.1,-273.2,25.1,-273.2,23.6,953,SUCCESS
    25,2020-06-03 10:53:28,26.000,0x0441,300,10,0x6001,0,65535,65535,1,25.1,56915,-29,-17,100,84,84,3685,4400,7370,13006,65535,0,0,0x48C0,0,0,100,0x4104,0x0000,0x10,0x08,0x40,0x0204,0x0000,0x0000,0x0000,0x0000,0x0000,0x0000,0x0000,4057,4066,4068,4067,4056,4048,4020,4068,4069,4079,4080,4078,4078,4073,0,4655,-273.2,25.1,-273.2,25.1,-273.2,23.5,953,SUCCESS
    26,2020-06-03 10:53:29,27.296,0x0441,300,10,0x6001,0,65535,65535,1,25.1,56863,-29,-18,100,84,84,3685,4400,7624,12283,65535,0,0,0x48C0,0,0,100,0x4104,0x0000,0x10,0x08,0x40,0x0204,0x0000,0x0000,0x0000,0x0000,0x0000,0x0000,0x0000,4057,4066,4068,4067,4056,4054,4019,4068,4069,4079,4084,4075,4078,4074,0,4655,-273.2,25.1,-273.2,25.1,-273.2,23.6,938,SUCCESS
    27,2020-06-03 10:53:30,28.250,0x0441,300,10,0x6001,0,65535,65535,1,25.1,56914,-29,-19,100,84,84,3685,4400,7624,11637,65535,0,0,0x48C0,0,0,100,0x4104,0x0000,0x10,0x08,0x40,0x0204,0x0000,0x0000,0x0000,0x0000,0x0000,0x0000,0x0000,4057,4066,4068,4067,4056,4055,4020,4068,4069,3992,4081,4076,4078,4073,0,4655,-273.2,25.1,-273.2,25.1,-273.2,23.6,937,SUCCESS
    28,2020-06-03 10:53:31,29.203,0x0541,300,10,0x6001,0,65535,65535,1,25.1,56861,-30,-19,100,84,84,3685,4400,7370,11637,65535,0,0,0x48C0,0,0,100,0x4105,0x0000,0x10,0x08,0x40,0x0204,0x0000,0x0000,0x0000,0x0000,0x0000,0x0000,0x0000,4057,4066,4068,4067,4055,4051,4019,4068,4068,4076,4084,4075,4078,4074,0,4655,-273.2,25.1,-273.2,25.1,-273.2,23.6,937,SUCCESS
    29,2020-06-03 10:53:33,30.500,0x0541,300,10,0x6001,0,65535,65535,1,25.1,56880,-30,-21,100,84,84,3685,4400,7370,10529,65535,0,0,0x00C0,0,0,100,0x4105,0x0000,0x10,0x08,0x40,0x0204,0x0000,0x0000,0x0000,0x0000,0x0000,0x0000,0x0000,4056,4065,4067,4067,4055,4022,4020,4068,4068,4053,4083,4078,4078,4073,0,4651,-273.2,25.1,-273.2,25.1,-273.2,23.6,937,SUCCESS
    30,2020-06-03 10:53:33,31.453,0x0541,300,10,0x6001,0,65535,65535,1,25.1,56898,-29,-21,100,84,84,3685,4400,7624,10529,65535,0,0,0x00C0,0,0,100,0x4105,0x0000,0x10,0x08,0x40,0x0204,0x0000,0x0000,0x0000,0x0000,0x0000,0x0000,0x0000,4056,4065,4067,4067,4055,4055,4019,4068,4068,4074,4083,4077,4078,4073,0,4655,-273.2,25.1,-273.2,25.1,-273.2,23.6,937,SUCCESS
    31,2020-06-03 10:53:34,32.406,0x0541,300,10,0x6001,0,65535,65535,1,25.1,56887,-30,-22,100,84,84,3685,4400,7370,10050,65535,0,0,0x00C0,0,0,100,0x4105,0x0000,0x10,0x08,0x40,0x0204,0x0000,0x0000,0x0000,0x0000,0x0000,0x0000,0x0000,4055,4065,4067,4067,4055,4039,4020,4068,4068,3971,4082,4079,4077,4073,0,4650,-273.2,25.1,-273.2,25.1,-273.2,23.6,937,SUCCESS
    32,2020-06-03 10:53:35,33.359,0x0541,300,10,0x6001,0,65535,65535,1,25.1,56874,-29,-22,100,84,84,3685,4400,7624,10050,65535,0,0,0x00C0,0,0,100,0x4105,0x0000,0x10,0x08,0x40,0x0204,0x0000,0x0000,0x0000,0x0000,0x0000,0x0000,0x0000,4056,4065,4067,4067,4054,4055,4018,4068,4068,4077,4083,4075,4077,4073,0,4655,-273.2,25.1,-273.2,25.1,-273.2,23.6,937,SUCCESS
    33,2020-06-03 10:53:37,34.640,0x0541,300,10,0x6001,0,65535,65535,1,25.1,56900,-29,-23,100,84,84,3685,4400,7624,9613,65535,0,0,0x00C0,0,0,100,0x4105,0x0000,0x10,0x08,0x40,0x0204,0x0000,0x0000,0x0000,0x0000,0x0000,0x0000,0x0000,4056,4065,4067,4067,4054,4044,4019,4068,4068,4055,4083,4074,4077,4073,0,4651,-273.2,25.1,-273.2,25.1,-273.2,23.6,938,SUCCESS
    34,2020-06-03 10:53:38,35.593,0x0541,300,10,0x6001,0,65535,65535,1,25.1,56891,-30,-23,100,84,84,3685,4400,7370,9613,65535,0,0,0x00C0,0,0,100,0x4105,0x0000,0x10,0x08,0x40,0x0204,0x0000,0x0000,0x0000,0x0000,0x0000,0x0000,0x0000,4056,4065,4067,4066,4054,4055,4019,4067,4068,4075,4083,4075,4077,4073,0,4655,-273.2,25.1,-273.2,25.1,-273.2,23.6,938,SUCCESS
    35,2020-06-03 10:53:39,36.546,0x0541,300,10,0x6001,0,65535,65535,1,25.1,56883,-29,-24,100,84,84,3685,4400,7624,9213,65535,0,0,0x00C0,0,0,100,0x4105,0x0000,0x10,0x08,0x40,0x0204,0x0000,0x0000,0x0000,0x0000,0x0000,0x0000,0x0000,4056,4065,4067,4067,4054,4043,4021,4067,4068,4052,4083,4075,4077,4073,0,4654,-273.2,25.1,-273.2,25.1,-273.2,23.6,938,SUCCESS
    36,2020-06-03 10:53:40,37.500,0x0541,300,10,0x6001,0,65535,65535,1,25.1,56889,-29,-24,100,84,84,3685,4400,7624,9213,65535,0,0,0x00C0,0,0,100,0x4105,0x0000,0x10,0x08,0x40,0x0204,0x0000,0x0000,0x0000,0x0000,0x0000,0x0000,0x0000,4055,4065,4067,4066,4054,4054,4018,4067,4068,4073,4083,4075,4077,4073,0,4655,-273.2,25.1,-273.2,25.1,-273.2,23.6,937,SUCCESS
    37,2020-06-03 10:53:41,38.781,0x0541,300,10,0x6001,0,65535,65535,1,25.1,56817,-29,-24,100,84,84,3685,4400,7624,9213,65535,0,0,0x00C0,0,0,100,0x4105,0x0000,0x10,0x08,0x40,0x0204,0x0000,0x0000,0x0000,0x0000,0x0000,0x0000,0x0000,4055,4065,4066,4066,4053,4044,4018,4067,4068,4074,4083,4075,4077,4073,0,4655,-273.2,25.1,-273.2,25.1,-273.2,23.6,937,SUCCESS
    38,2020-06-03 10:53:42,39.734,0x0541,300,10,0x6001,0,65535,65535,1,25.1,56893,-30,-25,100,84,84,3685,4400,7624,8844,65535,0,0,0x00C0,0,0,100,0x4105,0x0000,0x10,0x08,0x40,0x0204,0x0000,0x0000,0x0000,0x0000,0x0000,0x0000,0x0000,4056,4065,4066,4066,4053,4054,4018,4067,4068,4079,4058,4076,4076,4072,0,4651,-273.2,25.1,-273.2,25.1,-273.2,23.7,937,SUCCESS
    39,2020-06-03 10:53:43,40.703,0x0541,300,10,0x6001,0,65535,65535,1,25.1,56809,-29,-25,100,84,84,3685,4400,7370,8844,65535,0,0,0x00C0,0,0,100,0x4105,0x0000,0x10,0x08,0x40,0x0204,0x0000,0x0000,0x0000,0x0000,0x0000,0x0000,0x0000,4055,4064,4066,4066,4054,4053,4019,4067,4067,4068,4083,4074,4077,4073,0,4651,-273.2,25.1,-273.2,25.1,-273.2,23.7,937,SUCCESS
    40,2020-06-03 10:53:44,41.656,0x0541,300,10,0x6001,0,65535,65535,1,25.1,56890,-30,-25,100,84,84,3685,4400,7370,8844,65535,0,0,0x00C0,0,0,100,0x4105,0x0000,0x10,0x08,0x40,0x0204,0x0000,0x0000,0x0000,0x0000,0x0000,0x0000,0x0000,4055,4065,4066,4066,4054,4052,4019,4067,4068,4077,4083,4075,4077,4073,0,4655,-273.2,25.1,-273.2,25.1,-273.2,23.7,937,SUCCESS
    41,2020-06-03 10:53:45,42.937,0x0541,300,10,0x6001,0,65535,65535,1,25.1,56861,-30,-26,100,84,84,3685,4400,7624,8504,65535,0,0,0x00C0,0,0,100,0x4105,0x0000,0x10,0x08,0x40,0x0204,0x0000,0x0000,0x0000,0x0000,0x0000,0x0000,0x0000,4055,4064,4066,4066,4053,4053,4018,4067,4067,4071,4083,4076,4077,4073,0,4651,-273.2,25.1,-273.2,25.1,-273.2,23.6,938,SUCCESS
    42,2020-06-03 10:53:46,43.890,0x0541,300,10,0x6001,0,65535,65535,1,25.1,56893,-29,-26,100,84,84,3685,4400,7370,8504,65535,0,0,0x00C0,0,0,100,0x4105,0x0000,0x10,0x08,0x40,0x0204,0x0000,0x0000,0x0000,0x0000,0x0000,0x0000,0x0000,4055,4064,4066,4066,4054,4053,4018,4067,4067,4078,4076,4076,4076,4072,0,4650,-273.2,25.1,-273.2,25.1,-273.2,23.7,938,SUCCESS
    43,2020-06-03 10:53:47,44.859,0x0541,300,10,0x6001,0,65535,65535,1,25.1,56799,-29,-26,100,84,84,3685,4400,7370,8504,65535,0,0,0x00C0,0,0,100,0x4105,0x0000,0x10,0x08,0x40,0x0204,0x0000,0x0000,0x0000,0x0000,0x0000,0x0000,0x0000,4055,4064,4066,4066,4053,4052,4017,4067,4067,4076,4083,4074,4076,4073,0,4650,-273.2,25.1,-273.2,25.1,-273.2,23.7,937,SUCCESS
    44,2020-06-03 10:53:48,45.812,0x0541,300,10,0x6001,0,65535,65535,1,25.1,56891,-30,-26,100,84,84,3685,4400,7624,8504,65535,0,0,0x00C0,0,0,100,0x4105,0x0000,0x10,0x08,0x40,0x0204,0x0000,0x0000,0x0000,0x0000,0x0000,0x0000,0x0000,4055,4064,4066,4066,4053,4049,4018,4067,4067,4078,4076,4077,4076,4072,0,4650,-273.2,25.1,-273.2,25.1,-273.2,23.7,938,SUCCESS
    45,2020-06-03 10:53:49,47.093,0x0541,300,10,0x6001,0,65535,65535,1,25.1,56861,-30,-26,100,84,84,3685,4400,7624,8504,65535,0,0,0x00C0,0,0,100,0x4104,0x0000,0x10,0x08,0x40,0x0204,0x0000,0x0000,0x0000,0x0000,0x0000,0x0000,0x0000,4055,4064,4066,4065,4053,4053,4018,4067,4067,4075,4083,4074,4077,4072,0,4654,-273.2,25.1,-273.2,25.1,-273.2,23.6,938,SUCCESS
    46,2020-06-03 10:53:50,48.046,0x0441,300,10,0x6001,0,65535,65535,1,25.1,56890,-29,-27,100,84,84,3685,4400,7624,8189,65535,0,0,0x48C0,0,0,100,0x4104,0x0000,0x10,0x08,0x40,0x0204,0x0000,0x0000,0x0000,0x0000,0x0000,0x0000,0x0000,4055,4064,4066,4065,4053,4053,4022,4066,4067,4009,4081,4075,4076,4072,0,4654,-273.2,25.1,-273.2,25.1,-273.2,23.6,938,SUCCESS
    47,2020-06-03 10:53:51,49.000,0x0441,300,10,0x6001,0,65535,65535,1,25.1,56860,-29,-27,100,84,84,3685,4400,7624,8189,65535,0,0,0x48C0,0,0,100,0x4104,0x0000,0x10,0x08,0x40,0x0204,0x0000,0x0000,0x0000,0x0000,0x0000,0x0000,0x0000,4055,4064,4066,4065,4053,4052,4017,4066,4067,4076,4082,4074,4076,4072,0,4650,-273.2,25.1,-273.2,25.1,-273.2,23.5,937,SUCCESS
    48,2020-06-03 10:53:52,50.000,0x0441,300,10,0x6001,0,65535,65535,1,25.1,56887,-29,-27,100,84,84,3685,4400,7624,8189,65535,0,0,0x48C0,0,0,100,0x4104,0x0000,0x10,0x08,0x40,0x0204,0x0000,0x0000,0x0000,0x0000,0x0000,0x0000,0x0000,4055,4064,4066,4065,4053,4052,4018,4066,4067,4059,4080,4074,4076,4071,0,4650,-273.2,25.1,-273.2,25.1,-273.2,23.6,937,SUCCESS
    49,2020-06-03 10:53:53,51.281,0x0441,300,10,0x6001,0,65535,65535,1,25.1,56881,-29,-27,100,84,84,3685,4400,7624,8189,65535,0,0,0x48C0,0,0,100,0x4104,0x0000,0x10,0x08,0x40,0x0204,0x0000,0x0000,0x0000,0x0000,0x0000,0x0000,0x0000,4055,4064,4066,4065,4053,4052,4017,4067,4067,4076,4082,4073,4076,4071,0,4650,-273.2,25.1,-273.2,25.1,-273.2,23.8,937,SUCCESS
    50,2020-06-03 10:53:54,52.250,0x0441,300,10,0x6001,0,65535,65535,1,25.1,56853,-29,-27,100,84,84,3685,4400,7624,8189,65535,0,0,0x48C0,0,0,100,0x4104,0x0000,0x10,0x08,0x40,0x0204,0x0000,0x0000,0x0000,0x0000,0x0000,0x0000,0x0000,4055,4064,4066,4065,4053,4043,4018,4066,4067,4068,4081,4074,4076,4071,0,4650,-273.2,25.1,-273.2,25.1,-273.2,23.7,937,SUCCESS
    51,2020-06-03 10:53:55,53.218,0x0441,300,10,0x6001,0,65535,65535,1,25.1,56879,-29,-27,100,84,84,3685,4400,7624,8189,65535,0,0,0x48C0,0,0,100,0x4104,0x0000,0x10,0x08,0x40,0x0204,0x0000,0x0000,0x0000,0x0000,0x0000,0x0000,0x0000,4054,4064,4066,4065,4053,4053,4018,4066,4067,4073,4081,4074,4076,4071,0,4651,-273.2,25.1,-273.2,25.1,-273.2,23.8,938,SUCCESS
    52,2020-06-03 10:53:57,54.500,0x0441,300,10,0x6001,0,65535,65535,1,25.1,56790,-29,-28,100,84,84,3685,4400,7624,7896,65535,0,0,0x48C0,0,0,100,0x4104,0x0000,0x10,0x08,0x40,0x0204,0x0000,0x0000,0x0000,0x0000,0x0000,0x0000,0x0000,4054,4064,4066,4065,4053,4050,4017,4066,4067,4070,4081,4075,4076,4071,0,4650,-273.2,25.1,-273.2,25.1,-273.2,23.8,937,SUCCESS
    53,2020-06-03 10:53:57,55.453,0x0441,300,10,0x6001,0,65535,65535,1,25.1,56882,-30,-28,100,84,84,3685,4400,7370,7896,65535,0,0,0x48C0,0,0,100,0x4104,0x0000,0x10,0x08,0x40,0x0204,0x0000,0x0000,0x0000,0x0000,0x0000,0x0000,0x0000,4054,4064,4066,4065,4053,4052,4016,4066,4067,4076,4081,4075,4076,4071,0,4651,-273.2,25.0,-273.2,25.0,-273.2,23.8,937,SUCCESS
    54,2020-06-03 10:53:58,56.406,0x0441,300,10,0x6001,0,65535,65535,1,25.0,56861,-29,-28,100,84,84,3685,4400,7624,7896,65535,0,0,0x48C0,0,0,100,0x4104,0x0000,0x10,0x08,0x40,0x0204,0x0000,0x0000,0x0000,0x0000,0x0000,0x0000,0x0000,4054,4063,4065,4065,4053,4050,4016,4066,4067,4071,4081,4074,4076,4071,0,4650,-273.2,25.0,-273.2,25.0,-273.2,23.7,937,SUCCESS
    55,2020-06-03 10:53:59,57.359,0x0441,300,10,0x6001,0,65535,65535,1,25.0,56875,-29,-28,100,84,84,3685,4400,7624,7896,65535,0,0,0x48C0,0,0,100,0x4104,0x0000,0x10,0x08,0x40,0x0204,0x0000,0x0000,0x0000,0x0000,0x0000,0x0000,0x0000,4054,4063,4065,4065,4053,4052,4019,4065,4066,4074,4081,4073,4075,4071,0,4654,-273.2,25.0,-273.2,25.0,-273.2,23.8,937,SUCCESS
    56,2020-06-03 10:54:01,58.640,0x0441,300,10,0x6001,0,65535,65535,1,25.0,56780,-29,-28,100,84,84,3685,4400,7624,7896,65535,0,0,0x48C0,0,0,100,0x4104,0x0000,0x10,0x08,0x40,0x0204,0x0000,0x0000,0x0000,0x0000,0x0000,0x0000,0x0000,4054,4063,4065,4065,4053,4051,4020,4066,4067,4071,4081,4073,4075,4071,0,4654,-273.2,25.0,-273.2,25.0,-273.2,23.7,938,SUCCESS
    57,2020-06-03 10:54:02,59.593,0x0441,300,10,0x6001,0,65535,65535,1,25.0,56875,-30,-28,100,84,84,3685,4400,7370,7896,65535,0,0,0x48C0,0,0,100,0x4104,0x0000,0x10,0x08,0x40,0x0204,0x0000,0x0000,0x0000,0x0000,0x0000,0x0000,0x0000,4054,4063,4065,4065,4053,4051,4016,4066,4067,4021,4062,4075,4075,4071,0,4650,-273.2,25.0,-273.2,25.0,-273.2,23.7,938,SUCCESS
    58,2020-06-03 10:54:03,60.546,0x0441,300,10,0x6001,0,65535,65535,1,25.0,56777,-29,-28,100,84,84,3685,4400,7624,7896,65535,0,0,0x48C0,0,0,100,0x4105,0x0000,0x10,0x08,0x40,0x0204,0x0000,0x0000,0x0000,0x0000,0x0000,0x0000,0x0000,4054,4063,4065,4065,4053,4049,4016,4065,4067,4073,4081,4073,4075,4071,0,4650,-273.2,25.0,-273.2,25.0,-273.2,23.8,938,SUCCESS
    59,2020-06-03 10:54:04,61.500,0x0541,300,10,0x6001,0,65535,65535,1,25.0,56873,-29,-28,100,84,84,3685,4400,7624,7896,65535,0,0,0x00C0,0,0,100,0x4105,0x0000,0x10,0x08,0x40,0x0204,0x0000,0x0000,0x0000,0x0000,0x0000,0x0000,0x0000,4054,4063,4065,4065,4053,4052,4016,4066,4067,4076,4061,4074,4075,4071,0,4650,-273.2,25.0,-273.2,25.0,-273.2,23.8,937,SUCCESS
    60,2020-06-03 10:54:05,62.781,0x0541,300,10,0x6001,0,65535,65535,1,25.0,56861,-29,-28,100,84,84,3685,4400,7624,7896,65535,0,0,0x00C0,0,0,100,0x4105,0x0000,0x10,0x08,0x40,0x0204,0x0000,0x0000,0x0000,0x0000,0x0000,0x0000,0x0000,4054,4063,4065,4065,4053,4051,4016,4066,4067,4073,4081,4072,4075,4071,0,4654,-273.2,25.0,-273.2,25.0,-273.2,23.8,937,SUCCESS
    61,2020-06-03 10:54:06,63.734,0x0541,300,10,0x6001,0,65535,65535,1,25.0,56871,-29,-28,100,84,84,3685,4400,7624,7896,65535,0,0,0x00C0,0,0,100,0x4105,0x0000,0x10,0x08,0x40,0x0204,0x0000,0x0000,0x0000,0x0000,0x0000,0x0000,0x0000,4054,4063,4065,4065,4053,4019,4017,4066,4066,4034,4075,4073,4075,4071,0,4650,-273.2,25.0,-273.2,25.0,-273.2,23.8,953,SUCCESS
    62,2020-06-03 10:54:07,64.703,0x0541,300,10,0x6001,0,65535,65535,1,25.0,56864,-30,-28,100,84,84,3685,4400,7370,7896,65535,0,0,0x00C0,0,0,100,0x4105,0x0000,0x10,0x08,0x40,0x0204,0x0000,0x0000,0x0000,0x0000,0x0000,0x0000,0x0000,4054,4063,4065,4065,4053,4051,4016,4066,4067,4070,4081,4073,4075,4070,0,4650,-273.2,25.0,-273.2,25.0,-273.2,23.8,937,SUCCESS
    63,2020-06-03 10:54:08,65.656,0x0541,300,10,0x6001,0,65535,65535,1,25.0,56870,-29,-29,100,84,84,3685,4400,7624,7624,65535,0,0,0x00C0,0,0,100,0x4105,0x0000,0x10,0x08,0x40,0x0204,0x0000,0x0000,0x0000,0x0000,0x0000,0x0000,0x0000,4054,4063,4065,4065,4053,4021,4019,4065,4066,4038,4055,4075,4074,4070,0,4650,-273.2,25.1,-273.2,25.1,-273.2,23.8,937,SUCCESS
    64,2020-06-03 10:54:09,66.937,0x0541,300,10,0x6001,0,65535,65535,1,25.1,56871,-30,-29,100,84,84,3685,4400,7624,7624,65535,0,0,0x00C0,0,0,100,0x4105,0x0000,0x10,0x08,0x40,0x0204,0x0000,0x0000,0x0000,0x0000,0x0000,0x0000,0x0000,4054,4063,4065,4065,4053,4051,4016,4065,4066,4076,4081,4074,4075,4070,0,4650,-273.2,25.1,-273.2,25.1,-273.2,23.8,938,SUCCESS
    65,2020-06-03 10:54:10,67.890,0x0541,300,10,0x6001,0,65535,65535,1,25.1,56872,-29,-29,100,84,84,3685,4400,7624,7624,65535,0,0,0x00C0,0,0,100,0x4105,0x0000,0x10,0x08,0x40,0x0204,0x0000,0x0000,0x0000,0x0000,0x0000,0x0000,0x0000,4053,4063,4065,4064,4053,4043,4016,4065,4066,4068,4080,4073,4075,4070,0,4650,-273.2,25.1,-273.2,25.1,-273.2,23.8,938,SUCCESS
    66,2020-06-03 10:54:11,68.843,0x0541,300,10,0x6001,0,65535,65535,1,25.1,56866,-30,-29,100,84,84,3685,4400,7370,7624,65535,0,0,0x00C0,0,0,100,0x4105,0x0000,0x10,0x08,0x40,0x0204,0x0000,0x0000,0x0000,0x0000,0x0000,0x0000,0x0000,4053,4063,4065,4064,4053,4051,4016,4065,4066,4074,4081,4072,4075,4070,0,4650,-273.2,25.1,-273.2,25.1,-273.2,23.9,938,SUCCESS
    67,2020-06-03 10:54:12,69.796,0x0541,300,10,0x6001,0,65535,65535,1,25.1,56869,-30,-29,100,84,84,3685,4400,7370,7624,65535,0,0,0x00C0,0,0,100,0x4105,0x0000,0x10,0x08,0x40,0x0204,0x0000,0x0000,0x0000,0x0000,0x0000,0x0000,0x0000,4053,4063,4065,4064,4053,4018,4021,4065,4066,4064,4073,4073,4075,4070,0,4650,-273.2,25.1,-273.2,25.1,-273.2,23.8,938,SUCCESS
    68,2020-06-03 10:54:13,71.078,0x0541,300,10,0x6001,0,65535,65535,1,25.1,56865,-29,-29,100,84,84,3685,4400,7624,7624,65535,0,0,0x00C0,0,0,100,0x4105,0x0000,0x10,0x08,0x40,0x0204,0x0000,0x0000,0x0000,0x0000,0x0000,0x0000,0x0000,4053,4063,4065,4064,4053,4051,4015,4065,4066,4075,4080,4072,4075,4070,0,4650,-273.2,25.1,-273.2,25.1,-273.2,23.9,937,SUCCESS
    69,2020-06-03 10:54:14,72.031,0x0541,300,10,0x6001,0,65535,65535,1,25.1,56827,-29,-29,100,84,84,3685,4400,7624,7624,65535,0,0,0x00C0,0,0,100,0x4105,0x0000,0x10,0x08,0x40,0x0204,0x0000,0x0000,0x0000,0x0000,0x0000,0x0000,0x0000,4053,4063,4065,4064,4053,4043,4016,4065,4066,4075,4080,4072,4074,4070,0,4650,-273.2,25.1,-273.2,25.1,-273.2,23.8,937,SUCCESS
    70,2020-06-03 10:54:15,73.000,0x0541,300,10,0x6001,0,65535,65535,1,25.1,56865,-29,-29,100,84,84,3685,4400,7624,7624,65535,0,0,0x00C0,0,0,100,0x4105,0x0000,0x10,0x08,0x40,0x0204,0x0000,0x0000,0x0000,0x0000,0x0000,0x0000,0x0000,4053,4063,4065,4064,4053,4051,4016,4065,4066,4075,4080,4072,4074,4070,0,4650,-273.2,25.1,-273.2,25.1,-273.2,23.8,937,SUCCESS
    71,2020-06-03 10:54:16,74.000,0x0541,300,10,0x6001,0,65535,65535,1,25.1,56829,-30,-29,100,84,84,3685,4400,7370,7624,65535,0,0,0x00C0,0,0,100,0x4105,0x0000,0x10,0x08,0x40,0x0204,0x0000,0x0000,0x0000,0x0000,0x0000,0x0000,0x0000,4053,4062,4065,4064,4053,4043,4016,4065,4065,4073,4080,4071,4074,4070,0,4650,-273.2,25.1,-273.2,25.1,-273.2,23.8,953,SUCCESS
    72,2020-06-03 10:54:17,75.296,0x0541,300,10,0x6001,0,65535,65535,1,25.1,56863,-30,-29,100,84,84,3685,4400,7624,7624,65535,0,0,0x00C0,0,0,100,0x4105,0x0000,0x10,0x08,0x40,0x0204,0x0000,0x0000,0x0000,0x0000,0x0000,0x0000,0x0000,4053,4062,4065,4064,4053,4051,4016,4065,4066,4049,4054,4080,4074,4070,0,4651,-273.2,25.1,-273.2,25.1,-273.2,23.9,938,SUCCESS
    73,2020-06-03 10:54:18,76.250,0x0541,300,10,0x6001,0,65535,65535,1,25.1,56844,-29,-29,100,84,84,3684,4400,7368,7622,65535,0,0,0x00C0,0,0,100,0x4105,0x0000,0x10,0x08,0x40,0x0204,0x0000,0x0000,0x0000,0x0000,0x0000,0x0000,0x0000,4053,4062,4065,4064,4053,4050,4015,4065,4066,4068,4080,4072,4074,4070,0,4650,-273.2,25.1,-273.2,25.1,-273.2,23.8,937,SUCCESS
    74,2020-06-03 10:54:19,77.203,0x0541,300,10,0x6001,0,65535,65535,1,25.1,56862,-30,-29,100,84,84,3684,4400,7622,7622,65535,0,0,0x00C0,0,0,100,0x4105,0x0000,0x10,0x08,0x40,0x0204,0x0000,0x0000,0x0000,0x0000,0x0000,0x0000,0x0000,4053,4062,4065,4064,4053,4051,4015,4065,4065,4063,4074,4073,4074,4070,0,4650,-273.2,25.1,-273.2,25.1,-273.2,23.9,953,SUCCESS
    75,2020-06-03 10:54:21,78.515,0x0441,300,10,0x6001,0,65535,65535,1,25.1,56860,-30,-29,100,84,84,3684,4400,7368,7622,65535,0,0,0x48C0,0,0,100,0x4104,0x0000,0x10,0x08,0x40,0x0204,0x0000,0x0000,0x0000,0x0000,0x0000,0x0000,0x0000,4052,4062,4064,4064,4053,4051,4015,4065,4065,4074,4079,4073,4074,4069,0,4650,-273.2,25.1,-273.2,25.1,-273.2,23.8,938,SUCCESS
    76,2020-06-03 10:54:21,79.468,0x0441,300,10,0x6001,0,65535,65535,1,25.1,56861,-29,-29,100,84,84,3684,4400,7622,7622,65535,0,0,0x48C0,0,0,100,0x4104,0x0000,0x10,0x08,0x40,0x0204,0x0000,0x0000,0x0000,0x0000,0x0000,0x0000,0x0000,4052,4062,4064,4064,4053,4018,4017,4065,4065,4073,4079,4071,4074,4070,0,4650,-273.2,25.0,-273.2,25.0,-273.2,23.8,938,SUCCESS
    77,2020-06-03 10:54:22,80.421,0x0441,300,10,0x6001,0,65535,65535,1,25.0,56845,-29,-29,100,84,84,3684,4400,7622,7622,65535,0,0,0x48C0,0,0,100,0x4104,0x0000,0x10,0x08,0x40,0x0204,0x0000,0x0000,0x0000,0x0000,0x0000,0x0000,0x0000,4052,4062,4064,4064,4053,4051,4016,4065,4065,4072,4080,4072,4074,4070,0,4650,-273.2,25.0,-273.2,25.0,-273.2,23.8,938,SUCCESS
    78,2020-06-03 10:54:23,81.375,0x0441,300,10,0x6001,0,65535,65535,1,25.0,56860,-30,-29,100,84,84,3684,4400,7368,7622,65535,0,0,0x48C0,0,0,100,0x4104,0x0000,0x10,0x08,0x40,0x0204,0x0000,0x0000,0x0000,0x0000,0x0000,0x0000,0x0000,4052,4062,4064,4064,4053,4042,4020,4064,4065,4070,4079,4071,4074,4070,0,4650,-273.2,25.0,-273.2,25.0,-273.2,23.9,937,SUCCESS
    79,2020-06-03 10:54:25,82.656,0x0441,300,10,0x6001,0,65535,65535,1,25.0,56853,-29,-29,100,84,84,3684,4400,7622,7622,65535,0,0,0x48C0,0,0,100,0x4104,0x0000,0x10,0x08,0x40,0x0204,0x0000,0x0000,0x0000,0x0000,0x0000,0x0000,0x0000,4052,4062,4064,4064,4053,4051,4015,4064,4065,4071,4079,4071,4074,4069,0,4650,-273.2,25.0,-273.2,25.0,-273.2,23.9,953,SUCCESS
    80,2020-06-03 10:54:26,83.625,0x0441,300,10,0x6001,0,65535,65535,1,25.0,56856,-29,-29,100,84,84,3684,4400,7622,7622,65535,0,0,0x48C0,0,0,100,0x4104,0x0000,0x10,0x08,0x40,0x0204,0x0000,0x0000,0x0000,0x0000,0x0000,0x0000,0x0000,4052,4062,4064,4064,4053,4050,4015,4064,4065,4072,4079,4071,4074,4069,0,4650,-273.2,25.0,-273.2,25.0,-273.2,23.9,937,SUCCESS
    81,2020-06-03 10:54:27,84.578,0x0441,300,10,0x6001,0,65535,65535,1,25.0,56853,-30,-29,100,84,84,3684,4400,7368,7622,65535,0,0,0x48C0,0,0,100,0x4104,0x0000,0x10,0x08,0x40,0x0204,0x0000,0x0000,0x0000,0x0000,0x0000,0x0000,0x0000,4052,4061,4064,4064,4053,4051,4015,4064,4065,4071,4079,4071,4073,4069,0,4650,-273.2,25.0,-273.2,25.0,-273.2,23.9,953,SUCCESS
    82,2020-06-03 10:54:28,85.546,0x0441,300,10,0x6001,0,65535,65535,1,25.0,56854,-29,-29,100,84,84,3684,4400,7622,7622,65535,0,0,0x48C0,0,0,100,0x4104,0x0000,0x10,0x08,0x40,0x0204,0x0000,0x0000,0x0000,0x0000,0x0000,0x0000,0x0000,4052,4061,4064,4063,4053,4045,4015,4064,4065,4071,4079,4071,4073,4069,0,4650,-273.2,25.0,-273.2,25.0,-273.2,23.9,938,SUCCESS
    83,2020-06-03 10:54:29,86.828,0x0441,300,10,0x6001,0,65535,65535,1,25.0,56851,-29,-29,100,84,84,3684,4400,7622,7622,65535,0,0,0x48C0,0,0,100,0x4104,0x0000,0x10,0x08,0x40,0x0204,0x0000,0x0000,0x0000,0x0000,0x0000,0x0000,0x0000,4052,4062,4064,4064,4053,4051,4016,4065,4065,4070,4079,4070,4073,4069,0,4650,-273.2,25.0,-273.2,25.0,-273.2,23.9,953,SUCCESS
    84,2020-06-03 10:54:31,88.765,0x0441,300,10,0x6001,0,65535,65535,1,25.0,56857,-29,-29,100,84,84,3684,4400,7368,7622,65535,0,0,0x48C0,0,0,100,0x4104,0x0000,0x10,0x08,0x40,0x0204,0x0000,0x0000,0x0000,0x0000,0x0000,0x0000,0x0000,4052,4061,4063,4063,4053,4051,4014,4065,4065,4075,4079,4072,4074,4069,0,4654,-273.2,25.0,-273.2,25.0,-273.2,23.9,938,SUCCESS
    
    BMS PARAMETERS.gg.csv

  • Hi Matt,

    I have done the test with your Starter Kit BQ76940EVM.

    With and without the jumper on the PRES pin, the BQstudio detects with green and red, BUT is discharging all the time!!!!!

    Attach the log and the gg.csv.parameters.

    In addition the PRES pin voltage oscilloscope measurement, WITHOUT external jumper, just the internal pull up.

    With jumper is obviously 0V.

    thanks

    Wed Jun 03 11:35:16 CEST 2020
    
    Device Name = bq78350R2
    Firmware Version = V2_02_BLD0028
    
    Design Capacity = 4400
    Design Voltage = 3600
    Specification Info = 0x0031
    Manufacturer Date = 1980-1-1
    Serial Number = 0x0001
    Manufacturer Name = Texas Instruments
    Device Name = bq78350
    Device Chemistry = LION
    
    Sample,DateTime,ElapsedTime,ManufAccess,RemCapAlarm,RemTimeAlarm,BattMode,@Rate(@),@TimeFull,@TimeEmpty,@RateOK,Temperature,Voltage,Current,AvgCurr,MaxErr,RSOC,ASOC,RemCap,FullChgCap,RunTimeEmty,RunTimeEmty,AvgTimeFull,ChgCurr,ChgVolt,BattStat,CycleCnt,PendingEdv,SoH,OpStatA,OpStatB,TempRange,ChgStat,GaugeStat,MfgStat,SafetyAlertAB,SafetyStatAB,SafetyAlertCD,SafetyStatCD,PFAlertAB,PFStatAB,PFStatAB,CellVolt1,CellVolt2,CellVolt3,CellVolt4,CellVolt5,CellVolt6,CellVolt7,CellVolt8,CellVolt9,CellVolt10,CellVolt11,CellVolt12,CellVolt13,CellVolt14,CellVolt15,ExtAvgCellVolt,TS1 Temp,TS2 Temp,TS3 Temp,CellTemp,FetTemp,GaugeInternalTemp,LogRowTime(ms),LogStatus
    1,2020-06-03 11:35:19,1.344,0x0441,300,10,0x6001,0,65535,65535,1,30.8,59645,0,0,100,98,98,4292,4400,65535,65535,65535,0,0,0x48C0,0,3501,100,0x4104,0x0000,0x10,0x08,0x8040,0x8004,0x0000,0x0000,0x0000,0x0000,0x0000,0x0000,0x0000,4260,4266,4261,4256,4270,4253,4261,4255,4264,4263,4257,4267,4256,4255,0,4515,-52.9,-53.1,30.8,30.8,-273.2,39.1,1344,SUCCESS
    2,2020-06-03 11:35:21,3.344,0x0441,300,10,0x6001,0,65535,65535,1,30.8,59645,0,0,100,98,98,4292,4400,65535,65535,65535,0,0,0x48C0,0,3501,100,0x4104,0x0000,0x10,0x08,0x8040,0x8004,0x0000,0x0000,0x0000,0x0000,0x0000,0x0000,0x0000,4260,4266,4262,4257,4271,4253,4261,4254,4264,4263,4256,4267,4256,4257,0,4515,-52.9,-53.0,30.8,30.8,-273.2,39.1,1360,SUCCESS
    3,2020-06-03 11:35:22,4.735,0x0441,300,10,0x6001,0,65535,65535,1,30.8,59655,0,0,100,98,98,4292,4400,65535,65535,65535,0,0,0x48C0,0,3501,100,0x6100,0x0000,0x10,0x08,0x8040,0x8000,0x0000,0x0000,0x0000,0x0000,0x0000,0x0000,0x0000,4260,4266,4262,4257,4271,4253,4261,4254,4264,4263,4258,4266,4256,4256,0,4515,-52.9,-53.0,30.8,30.8,-273.2,39.1,1344,SUCCESS
    4,2020-06-03 11:35:23,6.125,0x0061,300,10,0x6001,0,65535,65535,1,30.8,59647,4,0,100,98,98,4292,4400,65535,65535,65535,0,0,0x48C0,0,3501,100,0x6100,0x0000,0x10,0x08,0x8040,0x8000,0x0000,0x0000,0x0000,0x0000,0x0000,0x0000,0x0000,4260,4267,4262,4257,4271,4253,4261,4255,4264,4263,4257,4266,4257,4256,0,4515,-52.9,-53.0,30.9,30.9,-273.2,39.1,1359,SUCCESS
    5,2020-06-03 11:35:25,7.860,0x0061,300,10,0x6001,0,65535,65535,1,30.9,59647,4,1,100,98,98,4292,4400,65535,65535,6480,0,0,0x48C0,0,3501,100,0x6100,0x0000,0x10,0x08,0x8040,0x8000,0x0000,0x0000,0x0000,0x0000,0x0000,0x0000,0x0000,4260,4266,4267,4259,4270,4253,4261,4255,4270,4265,4254,4268,4256,4255,0,4515,-52.9,-53.0,30.8,30.8,-273.2,39.1,1328,SUCCESS
    6,2020-06-03 11:35:27,9.219,0x0061,300,10,0x6001,0,65535,65535,1,30.8,59647,4,1,100,98,98,4292,4400,65535,65535,6480,0,0,0x48C0,0,3501,100,0x6100,0x0000,0x10,0x08,0x8040,0x8000,0x0000,0x0000,0x0000,0x0000,0x0000,0x0000,0x0000,4260,4266,4262,4256,4270,4253,4261,4254,4264,4263,4257,4266,4256,4257,0,4515,-52.9,-53.0,30.8,30.8,-273.2,39.1,1344,SUCCESS
    7,2020-06-03 11:35:29,11.219,0x0061,300,10,0x6001,0,65535,65535,1,30.9,59646,4,1,100,98,98,4292,4400,65535,65535,6480,0,0,0x48C0,0,3501,100,0x6100,0x0000,0x10,0x08,0x8040,0x8004,0x0000,0x0000,0x0000,0x0000,0x0000,0x0000,0x0000,4260,4266,4262,4256,4269,4253,4261,4254,4264,4263,4257,4266,4257,4256,0,4515,-52.9,-53.0,30.9,30.9,-273.2,39.1,1360,SUCCESS
    8,2020-06-03 11:35:30,12.610,0x0441,300,10,0x6001,0,65535,65535,1,30.9,59643,0,1,100,98,98,4292,4400,65535,65535,6480,0,0,0x48C0,0,3501,100,0x4104,0x0000,0x10,0x08,0x8040,0x8004,0x0000,0x0000,0x0000,0x0000,0x0000,0x0000,0x0000,4260,4266,4262,4256,4269,4253,4261,4254,4263,4263,4257,4267,4256,4256,0,4515,-52.9,-53.0,30.9,30.9,-273.2,39.2,1344,SUCCESS
    9,2020-06-03 11:35:31,13.985,0x0441,300,10,0x6001,0,65535,65535,1,30.9,59645,0,1,100,98,98,4292,4400,65535,65535,6480,0,0,0x48C0,0,3501,100,0x4104,0x0000,0x10,0x08,0x8040,0x8004,0x0000,0x0000,0x0000,0x0000,0x0000,0x0000,0x0000,4268,4268,4262,4256,4270,4253,4263,4255,4264,4263,4254,4266,4256,4256,0,4515,-52.9,-53.0,30.8,30.8,-273.2,39.1,1312,SUCCESS
    10,2020-06-03 11:35:33,15.657,0x0441,300,10,0x6001,0,65535,65535,1,30.8,59644,0,1,100,98,98,4292,4400,65535,65535,6480,0,0,0x48C0,0,3501,100,0x4104,0x0000,0x10,0x08,0x8040,0x8004,0x0000,0x0000,0x0000,0x0000,0x0000,0x0000,0x0000,4261,4266,4261,4257,4269,4253,4261,4254,4263,4263,4257,4266,4256,4256,0,4515,-52.9,-53.0,30.8,30.8,-273.2,39.1,1328,SUCCESS
    11,2020-06-03 11:35:34,17.016,0x0441,300,10,0x6001,0,65535,65535,1,30.8,59645,4,1,100,98,98,4292,4400,65535,65535,6480,0,0,0x48C0,0,3501,100,0x4104,0x0000,0x10,0x08,0x8040,0x8004,0x0000,0x0000,0x0000,0x0000,0x0000,0x0000,0x0000,4261,4266,4261,4257,4269,4253,4261,4254,4263,4263,4256,4266,4257,4256,0,4515,-52.9,-53.0,30.8,30.8,-273.2,39.1,1343,SUCCESS
    12,2020-06-03 11:35:36,18.407,0x0441,300,10,0x6001,0,65535,65535,1,30.8,59641,0,1,100,98,98,4292,4400,65535,65535,6480,0,0,0x48C0,0,3501,100,0x4104,0x0000,0x10,0x08,0x8040,0x8004,0x0000,0x0000,0x0000,0x0000,0x0000,0x0000,0x0000,4261,4266,4263,4257,4269,4253,4261,4255,4263,4263,4256,4268,4256,4256,0,4515,-53.0,-53.0,30.8,30.8,-273.2,39.1,1625,SUCCESS
    13,2020-06-03 11:35:38,20.407,0x0641,300,10,0x6001,0,65535,65535,1,30.8,59520,-118,-118,100,98,98,4292,4400,65535,65535,6480,0,0,0x48C0,0,3501,100,0x4106,0x0000,0x10,0x08,0x8040,0x8004,0x0000,0x0000,0x0000,0x0000,0x0000,0x0000,0x0000,4248,4253,4248,4251,4257,4240,4248,4242,4251,4249,4243,4253,4243,4243,0,4500,-52.9,-53.0,30.8,30.8,-273.2,39.2,1312,SUCCESS
    14,2020-06-03 11:35:39,21.750,0x0641,300,10,0x6001,0,65535,65535,1,30.8,59457,-293,-139,100,98,98,4291,4400,879,1852,65535,0,0,0x48C0,0,3501,100,0x4106,0x0000,0x10,0x08,0x8040,0x8004,0x0000,0x0000,0x0000,0x0000,0x0000,0x0000,0x0000,4247,4253,4248,4243,4256,4240,4248,4241,4250,4249,4244,4253,4243,4242,0,4500,-52.9,-53.0,30.8,30.8,-273.2,38.5,1344,SUCCESS
    15,2020-06-03 11:35:41,23.485,0x0641,300,10,0x6001,0,65535,65535,1,30.8,59457,-291,-149,100,98,98,4291,4400,885,1728,65535,0,0,0x48C0,0,3501,100,0x4106,0x0000,0x10,0x08,0x8040,0x8004,0x0000,0x0000,0x0000,0x0000,0x0000,0x0000,0x0000,4247,4253,4248,4243,4256,4239,4248,4241,4250,4249,4243,4253,4243,4242,0,4500,-52.9,-53.0,30.8,30.8,-273.2,38.3,1328,SUCCESS
    16,2020-06-03 11:35:42,24.844,0x0641,300,10,0x6001,0,65535,65535,1,30.8,59456,-291,-167,100,98,98,4291,4400,885,1542,65535,0,0,0x48C0,0,3501,100,0x4106,0x0000,0x10,0x08,0x8040,0x8004,0x0000,0x0000,0x0000,0x0000,0x0000,0x0000,0x0000,4246,4253,4248,4243,4256,4239,4248,4241,4250,4249,4243,4254,4242,4243,0,4500,-52.9,-53.0,30.8,30.8,-273.2,39.1,1328,SUCCESS
    17,2020-06-03 11:35:44,26.204,0x0641,300,10,0x6001,0,65535,65535,1,30.8,59456,-293,-175,100,98,98,4291,4400,873,1471,65535,0,0,0x48C0,0,3501,100,0x4106,0x0000,0x10,0x08,0x8040,0x8004,0x0000,0x0000,0x0000,0x0000,0x0000,0x0000,0x0000,4248,4260,4248,4243,4256,4245,4249,4241,4250,4249,4241,4253,4242,4243,0,4500,-52.9,-53.0,30.8,30.8,-273.2,39.1,1625,SUCCESS
    18,2020-06-03 11:35:45,28.188,0x0641,300,10,0x6001,0,65535,65535,1,30.8,59456,-289,-190,100,98,98,4291,4400,885,1355,65535,0,0,0x48C0,0,3501,100,0x4106,0x0000,0x10,0x08,0x8040,0x8004,0x0000,0x0000,0x0000,0x0000,0x0000,0x0000,0x0000,4247,4253,4248,4243,4256,4239,4248,4241,4250,4249,4241,4252,4243,4242,0,4500,-52.9,-53.0,30.8,30.8,-273.2,39.1,1312,SUCCESS
    19,2020-06-03 11:35:47,29.532,0x0641,300,10,0x6001,0,65535,65535,1,30.8,59456,-293,-197,100,98,98,4291,4400,879,1307,65535,0,0,0x48C0,0,3501,100,0x4106,0x0000,0x10,0x08,0x8040,0x8004,0x0000,0x0000,0x0000,0x0000,0x0000,0x0000,0x0000,4247,4254,4248,4243,4256,4239,4248,4241,4250,4249,4243,4254,4243,4242,0,4500,-52.9,-53.0,30.8,30.8,-273.2,39.1,1344,SUCCESS
    20,2020-06-03 11:35:49,31.266,0x0641,300,10,0x6001,0,65535,65535,1,30.8,59467,-291,-209,100,98,98,4291,4400,885,1232,65535,0,0,0x48C0,0,3501,100,0x4106,0x0000,0x10,0x08,0x8040,0x8004,0x0000,0x0000,0x0000,0x0000,0x0000,0x0000,0x0000,4247,4254,4248,4242,4256,4240,4248,4241,4250,4249,4243,4253,4242,4243,0,4500,-52.9,-53.0,30.8,30.8,-273.2,39.1,1344,SUCCESS
    21,2020-06-03 11:35:50,32.641,0x0641,300,10,0x6001,0,65535,65535,1,30.8,59456,-291,-214,100,98,98,4291,4400,879,1170,65535,0,0,0x48C0,0,3501,100,0x4106,0x0000,0x10,0x08,0x8040,0x8004,0x0000,0x0000,0x0000,0x0000,0x0000,0x0000,0x0000,4247,4254,4248,4243,4257,4240,4248,4242,4251,4249,4244,4253,4243,4243,0,4500,-52.9,-53.0,30.8,30.8,-273.2,39.2,1344,SUCCESS
    22,2020-06-03 11:35:51,34.016,0x0641,300,10,0x6001,0,65535,65535,1,30.8,59458,-291,-224,100,98,98,4291,4400,891,1149,65535,0,0,0x48C0,0,3501,100,0x4106,0x0000,0x10,0x08,0x8040,0x8004,0x0000,0x0000,0x0000,0x0000,0x0000,0x0000,0x0000,4247,4253,4248,4243,4256,4240,4248,4241,4250,4249,4243,4252,4243,4242,0,4496,-52.9,-53.0,30.9,30.8,-273.2,39.2,1625,SUCCESS
    23,2020-06-03 11:35:53,36.000,0x0741,300,10,0x6001,0,65535,65535,1,30.9,59457,-291,-233,100,98,98,4290,4400,885,1105,65535,0,0,0x00C0,0,3501,100,0x4107,0x0000,0x10,0x08,0x8040,0x8004,0x0000,0x0000,0x0000,0x0000,0x0000,0x0000,0x0000,4246,4253,4248,4243,4257,4239,4248,4241,4250,4249,4243,4253,4243,4243,0,4499,-52.9,-53.0,31.0,30.9,-273.2,39.2,1360,SUCCESS
    24,2020-06-03 11:35:55,37.375,0x0741,300,10,0x6001,0,65535,65535,1,31.0,59471,-291,-237,100,98,98,4290,4400,878,1086,65535,0,0,0x00C0,0,3501,100,0x4107,0x0000,0x20,0x18,0x8040,0x8004,0x0000,0x0000,0x0000,0x0000,0x0000,0x0000,0x0000,4247,4252,4248,4243,4257,4239,4248,4241,4251,4249,4244,4253,4242,4243,0,4500,-52.9,-53.0,31.0,31.0,-273.2,39.2,1313,SUCCESS
    25,2020-06-03 11:35:56,38.735,0x0741,300,10,0x6001,0,65535,65535,1,31.0,59457,-291,-244,100,98,98,4290,4400,885,1055,65535,0,0,0x00C0,0,3501,100,0x4107,0x0000,0x20,0x18,0x8040,0x8004,0x0000,0x0000,0x0000,0x0000,0x0000,0x0000,0x0000,4247,4254,4248,4243,4257,4240,4248,4241,4250,4249,4243,4253,4244,4243,0,4500,-52.9,-53.0,31.0,31.0,-273.2,39.2,1360,SUCCESS
    26,2020-06-03 11:35:58,40.469,0x0741,300,10,0x6001,0,65535,65535,1,31.0,59456,-291,-247,100,98,98,4290,4400,885,1042,65535,0,0,0x00C0,0,3501,100,0x4107,0x0000,0x20,0x18,0x8040,0x8004,0x0000,0x0000,0x0000,0x0000,0x0000,0x0000,0x0000,4246,4253,4256,4244,4256,4239,4250,4242,4251,4249,4241,4254,4243,4242,0,4500,-52.9,-53.0,31.0,31.0,-273.2,39.2,1328,SUCCESS
    27,2020-06-03 11:35:59,41.829,0x0741,300,10,0x6001,0,65535,65535,1,31.0,59458,-293,-253,100,98,98,4290,4400,885,1017,65535,0,0,0x00C0,0,3501,100,0x4107,0x0000,0x20,0x18,0x8040,0x8004,0x0000,0x0000,0x0000,0x0000,0x0000,0x0000,0x0000,4246,4253,4249,4243,4257,4240,4248,4241,4250,4249,4243,4254,4243,4243,0,4500,-52.9,-53.0,31.0,31.0,-273.2,39.2,1343,SUCCESS
    28,2020-06-03 11:36:01,43.813,0x0741,300,10,0x6001,0,65535,65535,1,31.0,59460,-291,-257,100,98,98,4290,4400,885,1002,65535,0,0,0x00C0,0,3501,100,0x4107,0x0000,0x20,0x18,0x8040,0x8004,0x0000,0x0000,0x0000,0x0000,0x0000,0x0000,0x0000,4247,4253,4249,4243,4256,4240,4248,4241,4251,4249,4245,4253,4243,4243,0,4500,-52.9,-53.0,31.0,31.0,-273.2,39.3,1375,SUCCESS
    29,2020-06-03 11:36:03,45.204,0x0741,300,10,0x6001,0,65535,65535,1,31.1,59465,-293,-260,100,98,98,4290,4400,885,990,65535,0,0,0x00C0,0,3501,100,0x4107,0x0000,0x20,0x18,0x8040,0x8004,0x0000,0x0000,0x0000,0x0000,0x0000,0x0000,0x0000,4247,4253,4249,4243,4256,4240,4248,4241,4250,4249,4243,4253,4243,4242,0,4500,-52.9,-53.0,31.1,31.1,-273.2,39.2,1313,SUCCESS
    30,2020-06-03 11:36:04,46.563,0x0741,300,10,0x6001,0,65535,65535,1,31.1,59458,-293,-262,100,98,98,4290,4400,878,982,65535,0,0,0x00C0,0,3501,100,0x4107,0x0000,0x20,0x18,0x8040,0x8004,0x0000,0x0000,0x0000,0x0000,0x0000,0x0000,0x0000,4255,4253,4249,4243,4256,4240,4248,4244,4254,4251,4241,4254,4243,4243,0,4500,-52.9,-53.0,31.2,31.2,-273.2,39.2,1343,SUCCESS
    31,2020-06-03 11:36:06,48.282,0x0741,300,10,0x6001,0,65535,65535,1,31.2,59458,-291,-266,100,98,98,4289,4400,878,967,65535,0,0,0x00C0,0,3501,100,0x4107,0x0000,0x20,0x18,0x8040,0x8004,0x0000,0x0000,0x0000,0x0000,0x0000,0x0000,0x0000,4247,4252,4249,4243,4256,4240,4248,4241,4250,4249,4243,4253,4243,4243,0,4500,-52.9,-53.0,31.1,31.2,-273.2,39.2,1328,SUCCESS
    32,2020-06-03 11:36:07,49.641,0x0641,300,10,0x6001,0,65535,65535,1,31.1,59460,-291,-269,100,98,98,4289,4400,884,957,65535,0,0,0x48C0,0,3501,100,0x4106,0x0000,0x20,0x18,0x8040,0x8004,0x0000,0x0000,0x0000,0x0000,0x0000,0x0000,0x0000,4247,4252,4248,4243,4256,4240,4248,4241,4250,4249,4243,4253,4244,4242,0,4500,-52.9,-53.0,31.1,31.1,-273.2,39.2,1328,SUCCESS
    33,2020-06-03 11:36:09,51.329,0x0641,300,10,0x6001,0,65535,65535,1,31.1,59472,-291,-270,100,98,98,4289,4400,878,953,65535,0,0,0x48C0,0,3501,100,0x4106,0x0000,0x20,0x18,0x8040,0x8004,0x0000,0x0000,0x0000,0x0000,0x0000,0x0000,0x0000,4248,4252,4248,4243,4256,4240,4248,4241,4250,4249,4243,4253,4243,4242,0,4500,-52.9,-53.0,31.1,31.1,-273.2,39.3,1344,SUCCESS
    34,2020-06-03 11:36:10,52.985,0x0641,300,10,0x6001,0,65535,65535,1,31.1,59457,-289,-273,100,98,98,4289,4400,890,943,65535,0,0,0x48C0,0,3501,100,0x4106,0x0000,0x20,0x18,0x8040,0x8004,0x0000,0x0000,0x0000,0x0000,0x0000,0x0000,0x0000,4248,4253,4250,4250,4256,4239,4248,4241,4250,4249,4242,4253,4243,4244,0,4500,-52.9,-53.0,31.2,31.2,-273.2,39.3,1329,SUCCESS
    35,2020-06-03 11:36:12,54.360,0x0641,300,10,0x6001,0,65535,65535,1,31.2,59457,-289,-274,100,98,98,4289,4400,884,939,65535,0,0,0x48C0,0,3501,100,0x4106,0x0000,0x20,0x18,0x8040,0x8004,0x0000,0x0000,0x0000,0x0000,0x0000,0x0000,0x0000,4248,4252,4248,4244,4256,4240,4248,4241,4250,4249,4245,4253,4243,4243,0,4500,-52.9,-53.0,31.2,31.2,-273.2,39.3,1344,SUCCESS
    36,2020-06-03 11:36:13,56.094,0x0641,300,10,0x6001,0,65535,65535,1,31.2,59460,-291,-276,100,98,98,4289,4400,884,932,65535,0,0,0x48C0,0,3501,100,0x4106,0x0000,0x20,0x18,0x8040,0x8004,0x0000,0x0000,0x0000,0x0000,0x0000,0x0000,0x0000,4247,4253,4248,4244,4256,4240,4248,4241,4250,4249,4243,4253,4243,4242,0,4500,-52.9,-53.0,31.2,31.2,-273.2,39.2,1375,SUCCESS
    37,2020-06-03 11:36:15,57.500,0x0641,300,10,0x6001,0,65535,65535,1,31.2,59465,-291,-278,100,98,98,4289,4400,878,926,65535,0,0,0x48C0,0,3501,100,0x4106,0x0000,0x20,0x18,0x8040,0x8004,0x0000,0x0000,0x0000,0x0000,0x0000,0x0000,0x0000,4247,4253,4248,4244,4256,4240,4248,4241,4250,4249,4243,4255,4243,4242,0,4500,-52.9,-53.0,31.3,31.3,-273.2,39.3,1344,SUCCESS
    38,2020-06-03 11:36:17,59.204,0x0641,300,10,0x6001,0,65535,65535,1,31.3,59464,-291,-279,100,98,98,4288,4400,884,922,65535,0,0,0x48C0,0,3501,100,0x4106,0x0000,0x20,0x18,0x8040,0x8004,0x0000,0x0000,0x0000,0x0000,0x0000,0x0000,0x0000,4247,4254,4248,4244,4256,4240,4248,4241,4250,4249,4244,4253,4243,4244,0,4500,-53.0,-53.0,31.3,31.3,-273.2,39.4,1656,SUCCESS
    39,2020-06-03 11:36:18,60.891,0x0641,300,10,0x6001,0,65535,65535,1,31.3,59459,-291,-281,100,98,98,4288,4400,884,916,65535,0,0,0x48C0,0,3501,100,0x4106,0x0000,0x20,0x18,0x8040,0x8004,0x0000,0x0000,0x0000,0x0000,0x0000,0x0000,0x0000,4247,4253,4248,4244,4257,4240,4248,4242,4256,4251,4241,4252,4244,4242,0,4500,-53.0,-53.0,31.3,31.3,-273.2,39.3,1313,SUCCESS
    40,2020-06-03 11:36:20,62.235,0x0641,300,10,0x6001,0,65535,65535,1,31.3,59459,-291,-281,100,98,98,4288,4400,884,916,65535,0,0,0x48C0,0,3501,100,0x4106,0x0000,0x20,0x18,0x8040,0x8004,0x0000,0x0000,0x0000,0x0000,0x0000,0x0000,0x0000,4247,4253,4248,4244,4257,4240,4248,4241,4250,4249,4243,4253,4243,4242,0,4500,-52.9,-53.0,31.3,31.3,-273.2,39.2,1329,SUCCESS
    41,2020-06-03 11:36:21,63.954,0x0641,300,10,0x6001,0,65535,65535,1,31.3,59459,-289,-283,100,98,98,4288,4400,890,909,65535,0,0,0x48C0,0,3501,100,0x4107,0x0000,0x20,0x18,0x8040,0x8004,0x0000,0x0000,0x0000,0x0000,0x0000,0x0000,0x0000,4247,4254,4248,4243,4257,4240,4248,4241,4250,4249,4243,4254,4242,4243,0,4500,-53.0,-53.0,31.3,31.3,-273.2,39.3,1328,SUCCESS
    42,2020-06-03 11:36:23,65.313,0x0741,300,10,0x6001,0,65535,65535,1,31.3,59458,-291,-283,100,98,98,4288,4400,878,906,65535,0,0,0x00C0,0,3501,100,0x4107,0x0000,0x20,0x18,0x8040,0x8004,0x0000,0x0000,0x0000,0x0000,0x0000,0x0000,0x0000,4247,4254,4248,4243,4257,4240,4248,4241,4250,4249,4243,4253,4243,4243,0,4500,-53.0,-53.1,31.3,31.3,-273.2,39.3,1359,SUCCESS
    43,2020-06-03 11:36:24,66.719,0x0741,300,10,0x6001,0,65535,65535,1,31.3,59459,-291,-284,100,98,98,4288,4400,884,906,65535,0,0,0x00C0,0,3501,100,0x4107,0x0000,0x20,0x18,0x8040,0x8004,0x0000,0x0000,0x0000,0x0000,0x0000,0x0000,0x0000,4247,4254,4248,4243,4257,4239,4248,4241,4250,4249,4244,4253,4244,4243,0,4500,-52.9,-53.1,31.3,31.3,-273.2,39.4,1609,SUCCESS
    44,2020-06-03 11:36:26,68.704,0x0741,300,10,0x6001,0,65535,65535,1,31.3,59458,-289,-285,100,98,98,4288,4400,890,903,65535,0,0,0x00C0,0,3501,100,0x4107,0x0000,0x20,0x18,0x8040,0x8004,0x0000,0x0000,0x0000,0x0000,0x0000,0x0000,0x0000,4247,4254,4248,4243,4257,4240,4248,4241,4250,4249,4243,4254,4243,4242,0,4500,-53.0,-53.0,31.1,31.1,-273.2,39.4,1359,SUCCESS
    45,2020-06-03 11:36:27,70.110,0x0741,300,10,0x6001,0,65535,65535,1,31.1,59460,-291,-286,100,98,98,4288,4400,878,900,65535,0,0,0x00C0,0,3501,100,0x4107,0x0000,0x20,0x18,0x8040,0x8004,0x0000,0x0000,0x0000,0x0000,0x0000,0x0000,0x0000,4247,4253,4248,4243,4257,4240,4248,4241,4250,4249,4243,4253,4242,4244,0,4500,-52.9,-53.0,31.1,31.1,-273.2,39.4,1328,SUCCESS
    46,2020-06-03 11:36:29,71.813,0x0741,300,10,0x6001,0,65535,65535,1,31.2,59472,-293,-286,100,98,98,4287,4400,878,899,65535,0,0,0x00C0,0,3501,100,0x4107,0x0000,0x20,0x18,0x8040,0x8004,0x0000,0x0000,0x0000,0x0000,0x0000,0x0000,0x0000,4247,4252,4248,4243,4257,4240,4248,4241,4250,4249,4244,4253,4244,4243,0,4500,-52.9,-53.0,31.2,31.2,-273.2,39.4,1344,SUCCESS
    47,2020-06-03 11:36:30,73.188,0x0741,300,10,0x6001,0,65535,65535,1,31.2,59460,-291,-287,100,98,98,4287,4400,890,896,65535,0,0,0x00C0,0,3501,100,0x4107,0x0000,0x20,0x18,0x8040,0x8004,0x0000,0x0000,0x0000,0x0000,0x0000,0x0000,0x0000,4247,4253,4250,4243,4257,4240,4248,4241,4251,4249,4242,4253,4243,4243,0,4500,-52.9,-53.0,31.2,31.2,-273.2,39.4,1328,SUCCESS
    48,2020-06-03 11:36:32,74.563,0x0741,300,10,0x6001,0,65535,65535,1,31.2,59458,-291,-287,100,98,98,4287,4400,884,896,65535,0,0,0x00C0,0,3501,100,0x4107,0x0000,0x20,0x18,0x8040,0x8004,0x0000,0x0000,0x0000,0x0000,0x0000,0x0000,0x0000,4247,4253,4248,4243,4257,4240,4248,4241,4250,4249,4243,4254,4243,4242,0,4500,-52.9,-53.0,31.2,31.2,-273.2,38.9,1640,SUCCESS
    49,2020-06-03 11:36:34,76.579,0x0741,300,10,0x6001,0,65535,65535,1,31.2,59460,-291,-287,100,98,98,4287,4400,890,896,65535,0,0,0x00C0,0,3501,100,0x4107,0x0000,0x20,0x18,0x8040,0x8004,0x0000,0x0000,0x0000,0x0000,0x0000,0x0000,0x0000,4247,4253,4249,4242,4256,4240,4248,4241,4250,4249,4245,4253,4243,4243,0,4500,-52.9,-53.0,31.2,31.2,-273.2,39.1,1312,SUCCESS
    50,2020-06-03 11:36:35,77.938,0x0641,300,10,0x6001,0,65535,65535,1,31.2,59472,-291,-288,100,98,98,4287,4400,878,893,65535,0,0,0x48C0,0,3501,100,0x4106,0x0000,0x20,0x18,0x8040,0x8004,0x0000,0x0000,0x0000,0x0000,0x0000,0x0000,0x0000,4247,4253,4249,4243,4256,4240,4248,4241,4250,4249,4243,4253,4243,4243,0,4500,-53.0,-53.0,31.3,31.3,-273.2,39.4,1344,SUCCESS
    51,2020-06-03 11:36:37,79.641,0x0641,300,10,0x6001,0,65535,65535,1,31.3,59458,-291,-288,100,98,98,4287,4400,878,893,65535,0,0,0x48C0,0,3501,100,0x4106,0x0000,0x20,0x18,0x8040,0x8004,0x0000,0x0000,0x0000,0x0000,0x0000,0x0000,0x0000,4247,4253,4249,4243,4256,4240,4248,4241,4250,4249,4243,4254,4243,4242,0,4500,-53.0,-53.0,31.2,31.2,-273.2,39.4,1344,SUCCESS
    52,2020-06-03 11:36:38,81.016,0x0641,300,10,0x6001,0,65535,65535,1,31.2,59458,-291,-289,100,98,98,4287,4400,878,890,65535,0,0,0x48C0,0,3501,100,0x4106,0x0000,0x20,0x18,0x8040,0x8004,0x0000,0x0000,0x0000,0x0000,0x0000,0x0000,0x0000,4247,4256,4249,4243,4256,4243,4253,4241,4250,4249,4241,4253,4243,4243,0,4500,-52.9,-53.0,31.2,31.2,-273.2,39.4,1343,SUCCESS
    53,2020-06-03 11:36:40,82.407,0x0641,300,10,0x6001,0,65535,65535,1,31.2,59459,-293,-289,100,98,98,4287,4400,878,890,65535,0,0,0x48C0,0,3501,100,0x4106,0x0000,0x20,0x18,0x8040,0x8004,0x0000,0x0000,0x0000,0x0000,0x0000,0x0000,0x0000,4247,4252,4249,4243,4256,4240,4248,4241,4250,4249,4244,4253,4244,4243,0,4500,-52.9,-53.0,31.2,31.2,-273.2,39.4,1625,SUCCESS
    

    STARTER KIT.gg.csv

  • Hi Albert,

    When PRES is connected to VSS, the FETs should be allowed to turn on, otherwise they should be disabled. I just tried on an EVM with your data flash settings and it works properly for me. If the jumper is populated (PRES to VSS), then both FETs are on (XDSG, XCHG both are zero). When I remove the jumper, the FETs are disabled (XDSG, XCHG = 1). 

    However, after looking back at your previous screen captures, I noticed something interesting. It looks like you have executed the CHG_FET_TOGGLE and DSG_FET_TOGGLE commands (instead of the FET_ENABLE command which is the way we recommend to turn on the FETs). These commands are for testing purposes. I tried these and they are able to toggle the FETs regardless of the state of the PRES pin.

    I recommend testing again using the FET_ENABLE command to turn on the FETs. 

    Best regards,

    Matt

  • Hi Matt,

    You were right, as excepted.

    The PRES pin works. The idea is manage the BMS with the FET EN command. With the DSG FET TOGGLE is a manufacturer access, and doesn't mater the pres pin state, the FET is always ON.

    Unfortunately I had a 100K resistor pull down on PRES pin and that, wasn't produce a "good" 0V to the device. With 100 ohms works fine.

    SO... has been my fail. Sorry.

    Bravo for you, and bravo for TI.

    Thanks

  • Matt,

    Just the last thing:

    I'm trying to update the FET state (with PRES pin low) with the command 0x2B HostFETControl.

    I know that i have to send 0x1197 first, and after the new status required. All within 4 seconds.

    But the DSG and CHG doesn't change; I if make after a read access they are set to 0x00. Why?

    It should RUN with the bqStudio tool: "Advance Comm SMB", shouldn't it? Maybe I'm using this tool wrongly.

    thanks

  • Hi Albert,

    These commands can be tricky to execute in BQStudio. I think it may be necessary to disable anything that might be communicating with the SMBus (turn off the Dashboard by clicking on the green banner in the upper left corner, turn off 'Scan' in the Register screen) since any SMBus commands received between the FET commands will cause the FET commands to be ignored.

    The 4s timing is sometimes challenging to meet using the Advanced Comm SMB screen. It looks like your commands are correct though.

    Best regards,

    Matt

  • Hi Matt,

    You are right, as usual.

    It's working, stooping all the communications. AS LONG AS the FET_EN is set previously to high with the "ManufacturerAccess() 0x0022 FET Control"

    I'm not sure if this flag could be erase autonomously (I mean by the TI built in firmware) with a reset command, or maybe with a warning, alert, even a permanent fail. So I have to assert a way to set this FET_EN flag by my customer. And seems that the only way is accessing by a ManufacturerAccess.

    So now the question is:

    Beside the "ManufacturerAccess() 0x0022 FET Control"; there is other way to set the FET_EN flag?

    Thanks a lot.

  • Hi Albert,

    I think one solution may be to program the [FET_EN] bit in the Mfg Status Init data flash register. (See section 12.1.1 of the TRM for the description). This will enable the FETs by default after a reset command.

    Best regards,

    Matt

  • Hi Matt,

    Works.

    thanks a lot