This thread has been locked.

If you have a related question, please click the "Ask a related question" button in the top right corner. The newly created question will be automatically linked to this question.

BQ76925EVM: BQ76925EVM I2C query

Part Number: BQ76925EVM
Other Parts Discussed in Thread: BQ76925

Hi

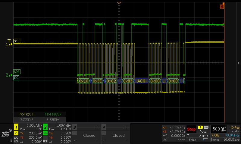
Tested the EVM and attached the oscilloscope, what is the mean of x16 and 0xAA?

The first frame of data in the communication of the Demo board is 0x10, 0x3E, 0x02, 0x83, 0x00 0x00, what is the mean of these date?

Waiting for your reply.

Thanks

Star

  • Hi Star,

    The BQ76925 has a base 7 bit address of 0x20, see table 4 of the data sheet.  The byte addresses are combined with the device address, so for a write the 8 bit address space would be 0x40 to 0x7E (even only for write).

    Remember that the BQ76925 does not have an ADC, it is analog output.  On the EVM the MSP430 converts the values from the BQ76925 and transfers them to the PC for display.  The mechanism of the control and transfer of the MSP430 are not described, but basically the MSP430 has an I2C register space which is read by the PC.  It is not documented in the BQ76925 EVM user guide how the control is provided, or the data assignments. 

    So any read or write to an address outside the BQ76925 space would be to the MSP430, those values are not documented.