Other Parts Discussed in Thread: BQ24703, , BQ24800, BQ25710, BQ25700, BQ25703, BQ25713
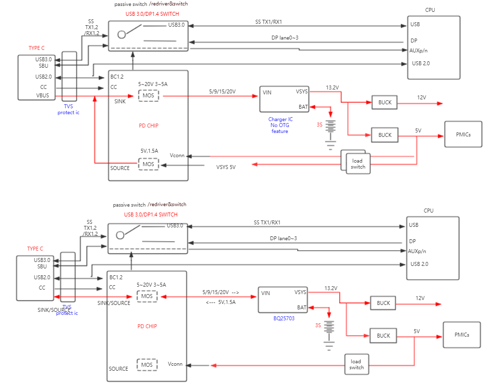
We are in designning type C PD charger systems with sink role. Input voltage 5~20V, battery is 3s (full at 13.2V). We want to use a charger ic to charge the battery and also suplly the system in the same time. If the outside adapter power is not enough for the system demand, we will use both the adapter and battery to supply the vsys all the time until the battery is empty.
1. So I think I should use a buck-boost charger ic like bq24703/bq24700. Is it correct to use bq24780s? I see it is just a boost charger?
2. what is the voltage of VSYS. As in the spec,there is just a resister between vbus and vsys, not a inductance. So if the vsys equals to vbus, instead of a value I can specify like 13.2V ? What will happen if the adapter power is not enough, we want to use adpater and battery in the same time , suppose the vbat is 5V, vbat is 12V, what will happen? what does "hybrid power boost mode" mean? just temporary support using adapter and battery together?
