This thread has been locked.

If you have a related question, please click the "Ask a related question" button in the top right corner. The newly created question will be automatically linked to this question.

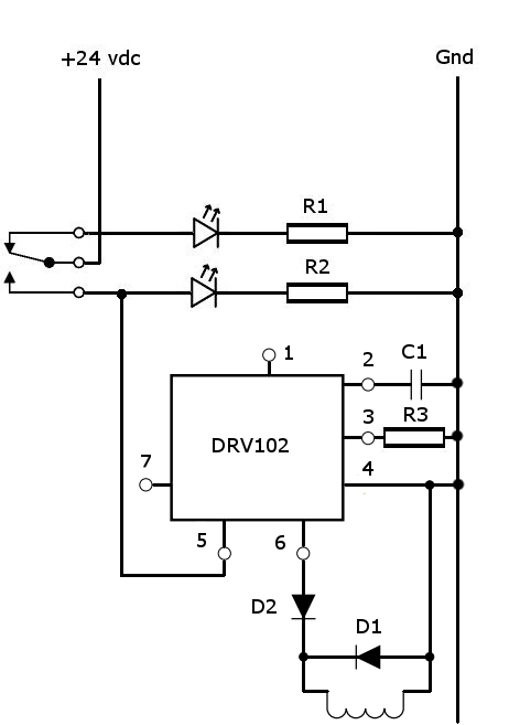
DRV102T

Other Parts Discussed in Thread: DRV103

In designing a circuit using the DRV102T to regulate the current supplied to a solenoid relay, it's much simpler if I just control the power to pin #5 , as opposed to using high/lows on pin #1.  Is there any problem with operating this chip in this manner: simply letting pin #1 float?  It seems to work fine this way in test, but just wondering if there's something that I'm missing that might crop up later or over time?