This thread has been locked.

If you have a related question, please click the "Ask a related question" button in the top right corner. The newly created question will be automatically linked to this question.

BQ34Z100-G1: sense resistor

Part Number: BQ34Z100-G1
Other Parts Discussed in Thread: TIDA-010030, BQ76940,

Hello Sir,

  I have a question regarding our reference design TIDA-010030.

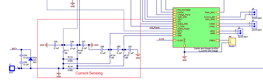
  Here, BQ34Z100-G1 and BQ76940 using together. And there are two 2-ohm sense resistor connect in parallel. Then the total sense resistor is still 2-ohm or they actually is 1-ohm?

  SRN and SNR is actually detect the current of the voltage difference?

  Below is the current sensing part circuit. I also attached the full schematic.

  Really appreciate your help. Thank you very much.

  

With Best Regards,

YanYan

 tidry27a (4).zip