This thread has been locked.

If you have a related question, please click the "Ask a related question" button in the top right corner. The newly created question will be automatically linked to this question.

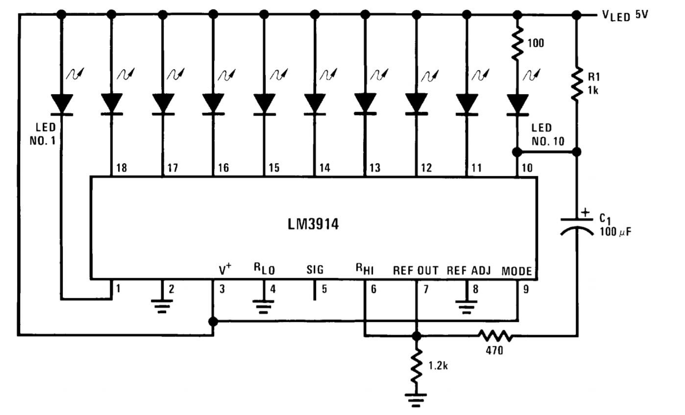
LM3914: LEDs not dimming

Part Number: LM3914

I am trying to use the LM3914 to be a battery level indicator for a design that runs on a 9v battery and I need to be able to dim the LEDs.  I am using 5 LEDs instead of the normal 10.  I included my kindergarten drawing of the circuit below.  I am not getting the proper dimming function (a range from fully on to fully off) for my LEDs.  Can someone take a look and give me suggestions? Thanks.