Hi team,
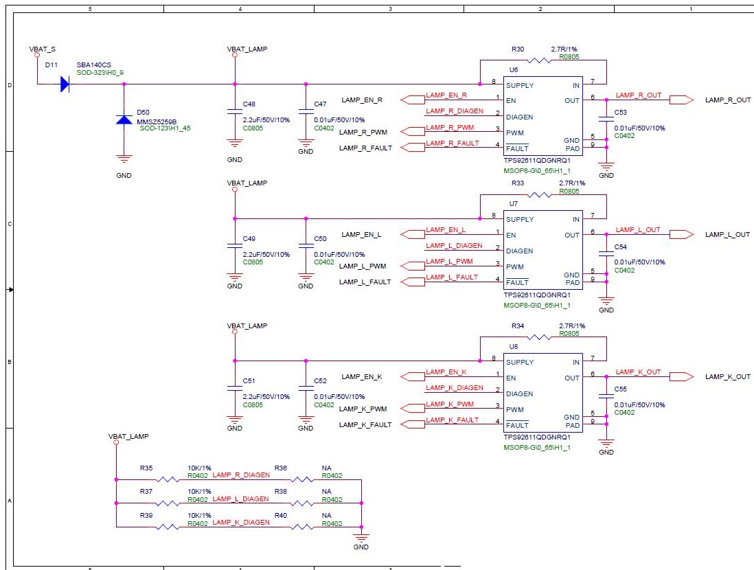
My customer used the TPS92611-Q1 for their design. And we used R(SNS) = 2.7ohm to set the current limit = 36mA.
We use the electronic load CC mode to have 40mA output current. We find some of TPS92611 pin 7/8 will damage.(short)
1. Could you let me know why pin7/8 damaged?
2. Could I use electronic load to simulate the over current? if it couldn't, what is the reason?
Roy
