This thread has been locked.

If you have a related question, please click the "Ask a related question" button in the top right corner. The newly created question will be automatically linked to this question.

UCD90124A: How to do the right configuration

Part Number: UCD90124A

Hi team,

Customer has a problem about UCD90124A want to consult you.
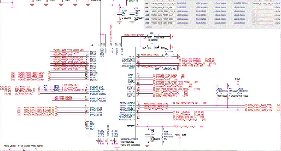
I got the information from datasheet that the hardware monitor could monitor 12 rails of power or temperature. and the ic has 13 monitor inputs,
our software only can switch it from rail 0 to rail 11, and cannot switch to rail 12 by SMBus now.
Could you please tell us how to choose the one we don't want to monitor from 13 rails, thanks.

The attachment is our code and schematic, we need monitor 13 rails or 12 rails (except for VMON_HWM_p3V3_P12V), thanks.

Thanks

 UCD90124A @ PMBus Address 52d Project_FHG_Andy_R01_20201006.xml

Thanks

  • Hello

    UCD90124A is a 12 rail device with 13 monitor input. but one of the monitor must be configured as either current or temperature monitoring for one of the 12 rail.  The page command start from index 0. so page 0->rail#1, page 11->rail#12.there would be no page 12.

    From the project file, 12 rails has been configured.

    Do you want to monitor pin MON7?

    Here are training videos about how to use Fusion GUI. Customer can find how to add/delete/change a rail.

    https://training.ti.com/fusion-digital-power-designer

    Regards

    Yihe

  • Hello

    We haven't heard from you for a while and assumed that the issue has been address. please reply if any further help is need.

    Regards

    Yihe