This thread has been locked.

If you have a related question, please click the "Ask a related question" button in the top right corner. The newly created question will be automatically linked to this question.

BQ76930: BQ76930 the third cell unstable

Part Number: BQ76930

Hi

The customer design the schematic and found the third cell unstable.

Attached the log data and schematic

Please give some suggestion with this problem.

Thanks

Star

  • Hi Star,

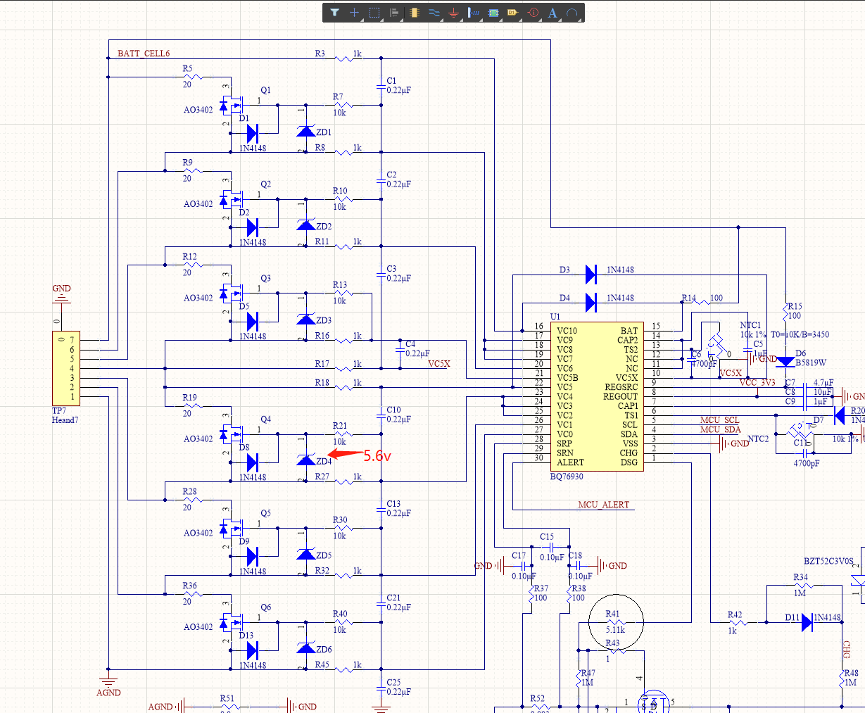
    The thermistor is energized every 2 seconds during the cell 5 (of the device) measurement for temperature measurement on TS1.  Cell 5 of the device is cell 3 in this system.  Current for the thermistor comes from VC5X through R17 and the path back to TP7. 

    At 25C the current should be about 165 uA causing about a 165 mV drop across R17.  If the thermistor is shorted it may draw about 330 uA with 330 mV drop across R17.  Neither should normally cause D3 to forward bias and pull down the cell voltage (unexpected current through R18). If D3 has been replaced by a Schottky type it is more common to see this type voltage disruption at high temp when the  thermistor is a lower voltage. Of course diodes are not ideal & have a curve.

    Things to check:

    • Be sure D7 is effective and not loading TS1
    • D3 type
    • R17 value
    • R17 connection integrity
    • Trace resistance to cell connector
    • Contact resistance of the connector or other interconnect resistance.

    1k is the recommended value for Rf, it avoids discharging VC5X during short circuit event timing.  If suitable Rf (R17) can be made smaller to reduce the voltage drop during the temperature sample such as they have done with R14.  Be sure VC5X stays above VSHUT during SCD events.