This thread has been locked.

If you have a related question, please click the "Ask a related question" button in the top right corner. The newly created question will be automatically linked to this question.

TPS65150: design review for the EVM modify for customer use case

Part Number: TPS65150

Hi Expert

Customer is evaluating the TPS65150EVM.

Also, they are modified the EVM external components as below.

requirement

Changing part

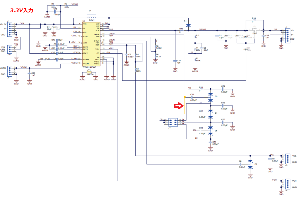
EVM schematics

Input voltage 3.3V

Question1. Could you please review the modified components?

Question2. Customer found the output ripple and transient response for each voltage rails at connected LCD. please refer the following waveforms.

 Is it any problem?

AVDD(50mV/div, 200us/div)

VGH(200mV/div, 10us/div)

VGL (50mV/div, 200us/div)

VCOM(50mV/div, 20us/div)

Question3. Customer want to use x3 boost circuit for charge pump 

They plan to connect C12 to DRVP. Do they need any other modified for x3 boost circuit?

Question4. Customer would like to improve the transient response for AVDD waveform.

Do you have any idea for improvement?

Question5. Can they improve the transient response by phase compensation part value(COMP pin)?

Thanks

Muk

  • Hello Mukuno-san,

    I reviewed the the information in your post and my feedback is below.

    A1 -- New component values are okay.

    A2 -- Waveforms look reasonable.

    A3 -- No other modifications are needed (J11 jumper should be moved over pins 3-4).

    A4  -- Compensation values shown on the schematics are already correct for 3.3V input supply, Customer can experiment with adding more bulk capacitance (22uF) at the boost output to see if it can further improve transient response.

    Kind Regards,

    Liaqat