Hi
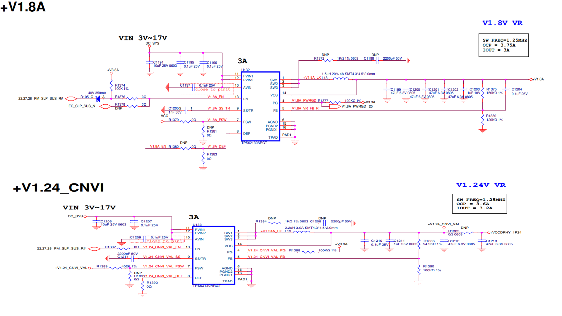
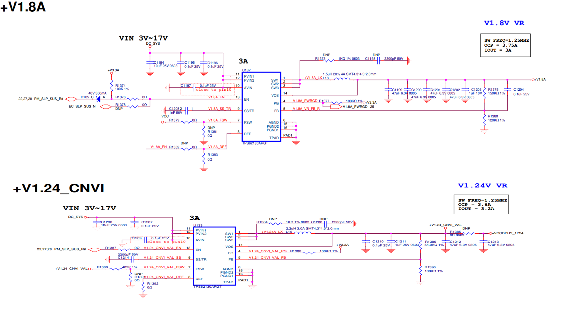
Could you help check the TPS62130A schematic as below and any need to adjust?
This thread has been locked.
If you have a related question, please click the "Ask a related question" button in the top right corner. The newly created question will be automatically linked to this question.
Hi Gareth,
The schematic you attached looks to meet our design requirements for the TPS62130A. In regard to U132, it is generally best practice for the smaller Couts to be placed closest to the IC.
Best,
Emily