This thread has been locked.

If you have a related question, please click the "Ask a related question" button in the top right corner. The newly created question will be automatically linked to this question.

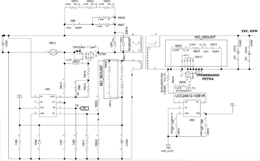
UCC24612: About delay in turn-off

Part Number: UCC24612

The UCC24612-1 is used in the QR flyback circuit.
I have a question regarding the delay in turn-off of UCC24612-1.

Is there anything I can try on this issue?

It is irregular and not load dependent.
Some ICs do not occur even in the same reel lot.

Changing to a FET with a large RDS_ON will improve it, but it cannot be suppressed.
The point at which Vgs drops (VTHREG) also appears to change.