This thread has been locked.

If you have a related question, please click the "Ask a related question" button in the top right corner. The newly created question will be automatically linked to this question.

TPS54331EVM-232: TPS54331DR low tempeature operature issue

Part Number: TPS54331EVM-232

Hi Teams,

 We design a buck circuit by TPS54331DR which has been used for many years. recently a board which failure in field and local temperature is -30 C. As checed found the buck output voltage cannot keep stable at low temperature (normal: 5Vdc, Io is 0.5A or around, low temp: 1.63V, Io is 0.5A or around). We taken board and storing it in incubator, this questions can be Reappear. When take a older version TPS54331DR to replace current one version, repeat run verification procedure again, the issue is gone, the circuit can work well. Any suggestion to verify the root cause?

  No aluminum electrolytic capacitor on buck board. 

BR,

Xiaobing (Eric)

  • Hi, Eric 

    1. What is the failure rate? only one unit has this issue? 

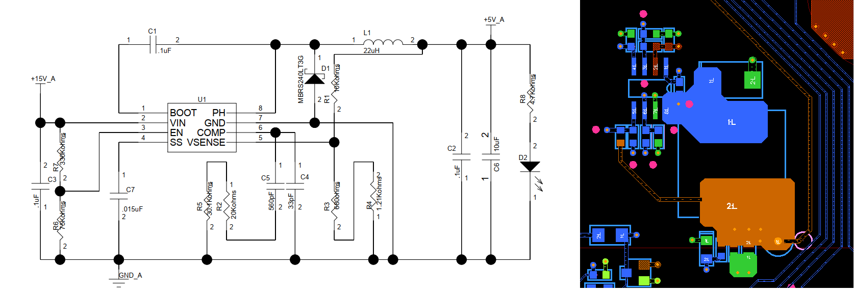
    2. Could you attach the schematic and layout file? I prefer the pdf files. 

    Please use the "insert file" function. 

    3. It looks after changing IC, the issue is resolved. 

    If place the issued IC on another new board, does still have this issue? 

  •  Thanks, team.

     Until now, this board has been run 3 years mass production and 1 pcs board is failure recently in field (Low temperature in local -30C), but which make us nervous. Colleague try to place the issued IC on another board, the issue can be repeated. Any help for what happen on the TPS54331DR? Thanks.

    BR,

    Xiaobing (Eric)

  • Hi, Eric 

    1. Could you attach the schematic and layout file? I prefer the pdf files. 

    2. And could you send me some waveforms including Vout, PH, COMP? 

  • Hi Ma,

     As sample board has beetn taken out from incubator. Now just taken curve under normal temperature (25C) between older version and latest version TPS54331DR. Attached please find latest version and older version curve for reference. Yellow wave is V-ph, blue wave is V-comp and pink wave is Vo.

    BR,

    Xiaobing (Eric)

  • Hi, Eric 

    1. The waveforms(25C) looks good, no issue. 

    2. There are 2 bad points in your schematic: 

    a. C3 is too small, suggest changing it to 4.7uF/35V. 

    b. Short R5. 

    After this, take the board to incubator and check if there is still issue. 

    If still have issue, change the inductor 22uH to 10uH and check again.