Other Parts Discussed in Thread: TPS25750,
Hi,
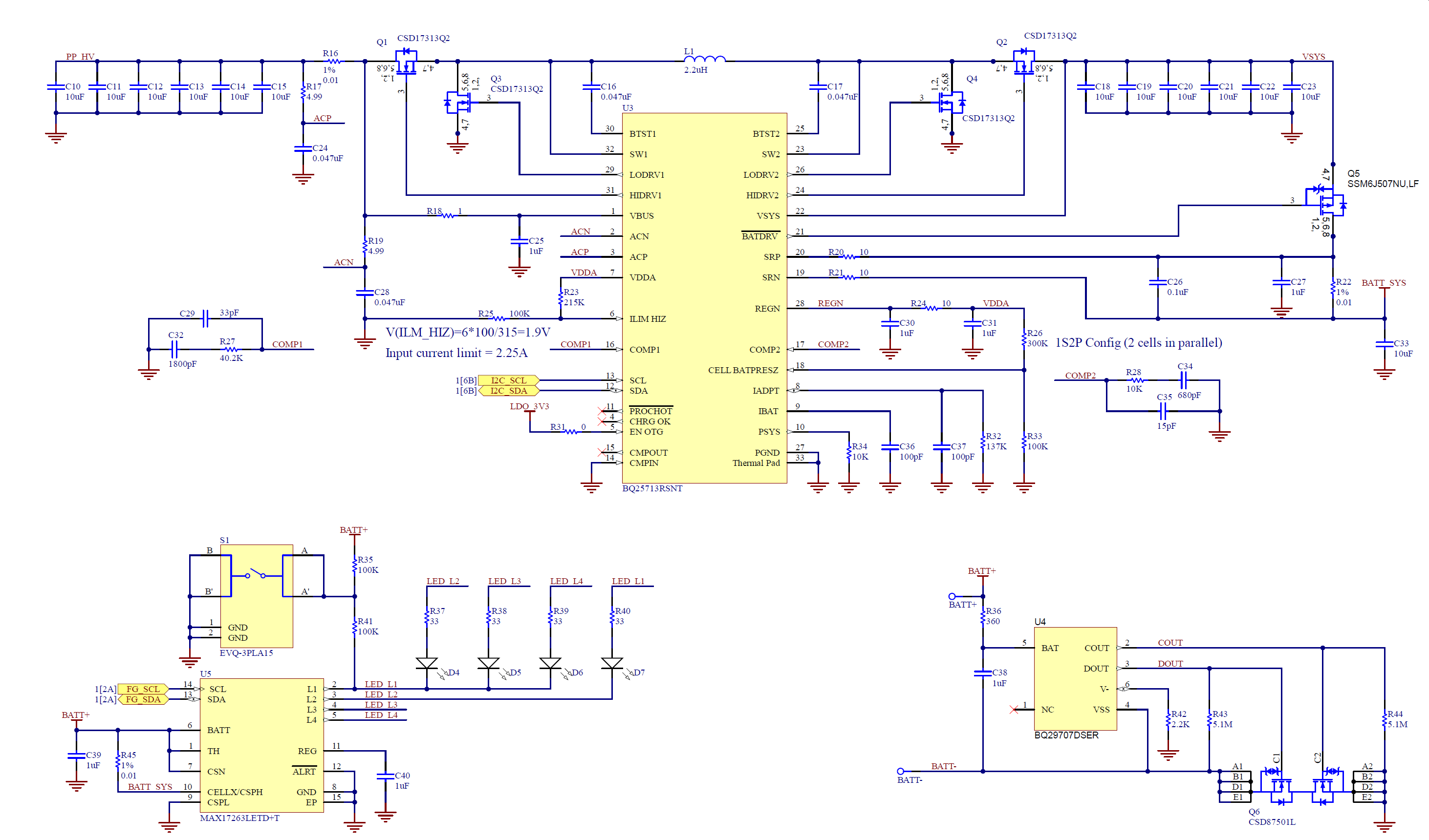
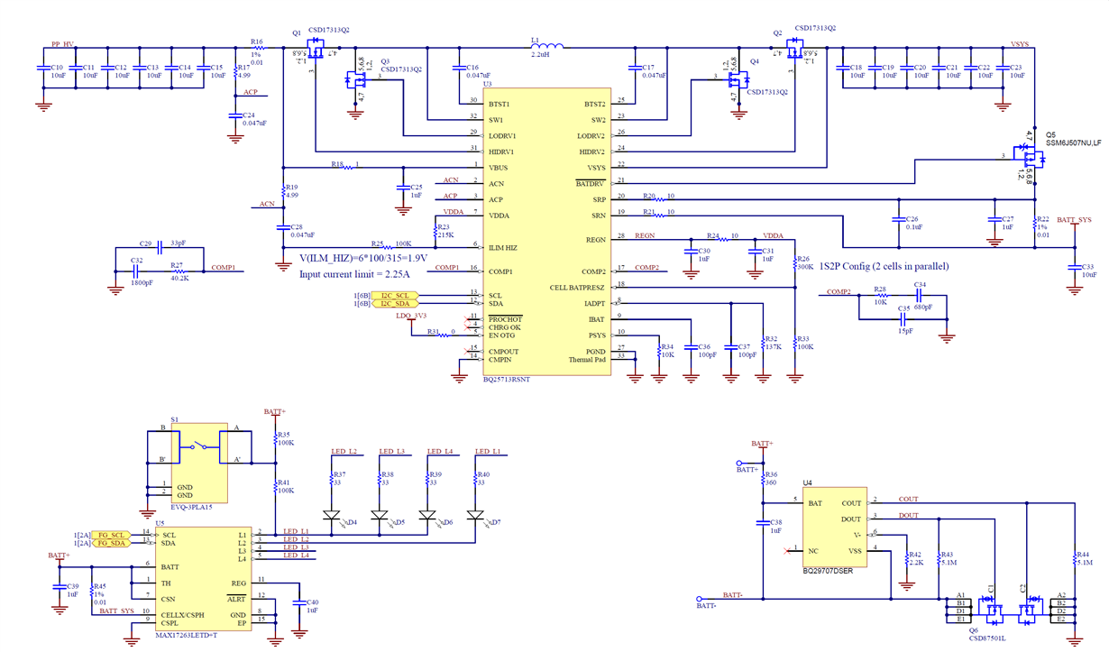
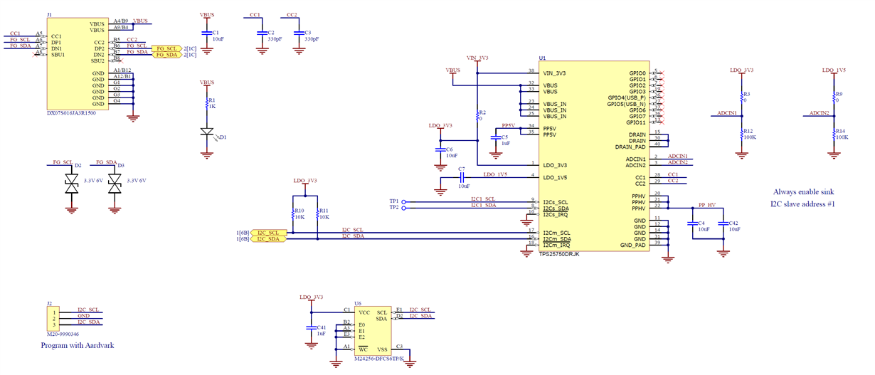
Could you please review my schematic with the TPS25750 charger?
I'm using them in this mode:
The BQ25713 is connected to an 1S2P battery.
This thread has been locked.
If you have a related question, please click the "Ask a related question" button in the top right corner. The newly created question will be automatically linked to this question.
Hello,
Thanks for choosing BQ25713. For general schematic design, please refer to this link. If you have any specific questions, please let us now.
https://e2e.ti.com/support/power-management/f/196/t/871078
Best Regards,
Linhong