This thread has been locked.

If you have a related question, please click the "Ask a related question" button in the top right corner. The newly created question will be automatically linked to this question.

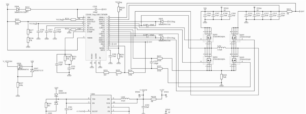
LM5175: FETs are getting hot and make a strange noise

Part Number: LM5175

Hello,

I have a problem with the LM5175. The output FETs are getting hot in idle mode and the inductor make a strange noise. I used the calculation tool for the part values. Is this maybe a problem with the layout?

Input: 9 - 40V, Output 24V, max. 8A.

Layout:


Schematic: