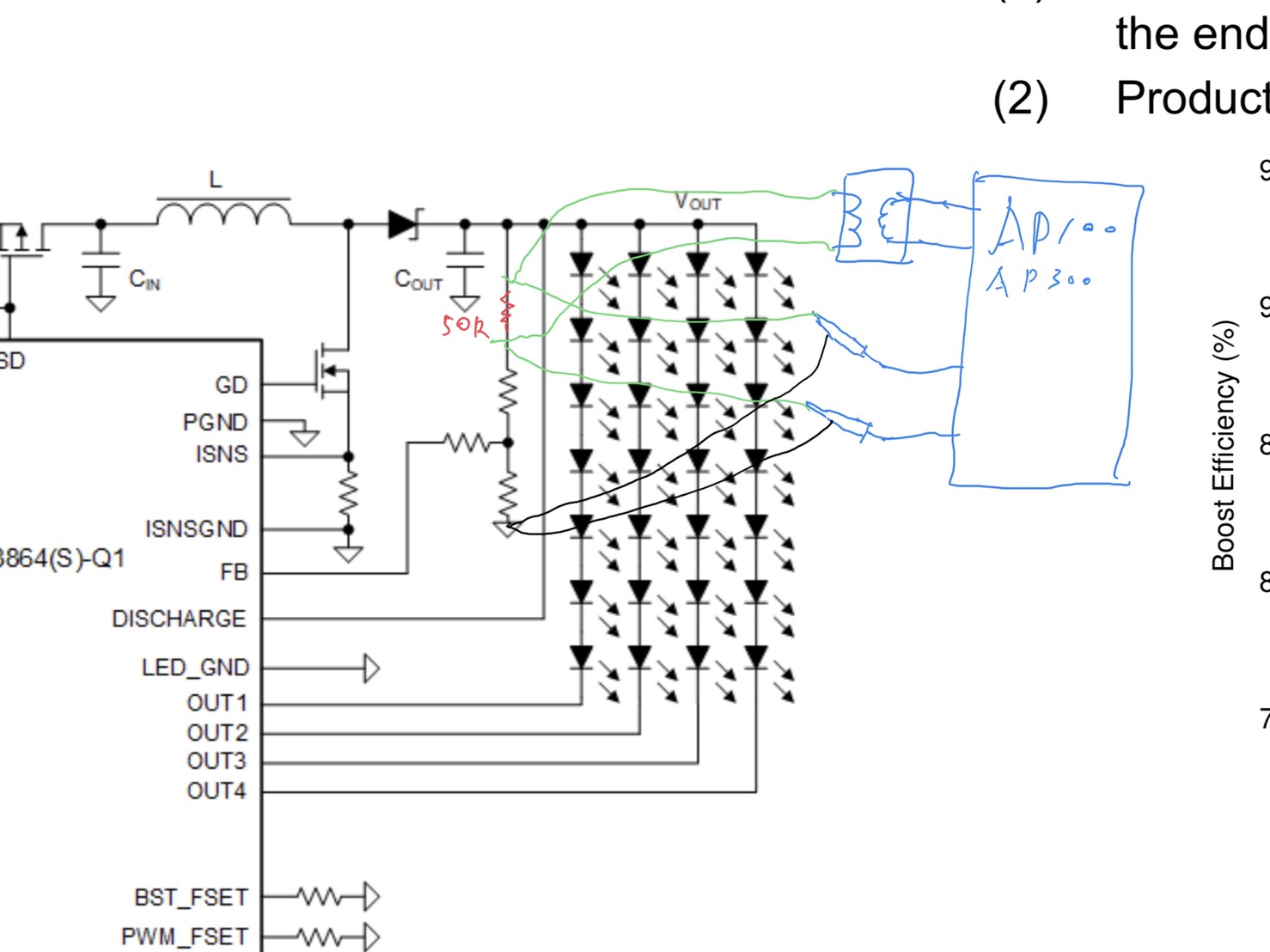
Dear Sir/Ms.
My customer want to probe loop gain of LP8864. Is this measurement also used?
Best Regards,
Kami Huang
This thread has been locked.
If you have a related question, please click the "Ask a related question" button in the top right corner. The newly created question will be automatically linked to this question.
Dear Sir/Ms.
My customer want to probe loop gain of LP8864. Is this measurement also used?
Best Regards,
Kami Huang
Hi Kami,
Correct for loop measurement.