This thread has been locked.

If you have a related question, please click the "Ask a related question" button in the top right corner. The newly created question will be automatically linked to this question.

IWR1443: My IWR1443 radar board cannot load the program,

Part Number: IWR1443
Other Parts Discussed in Thread: UNIFLASH,

Hello,

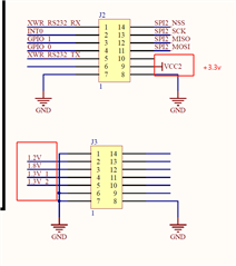
   Technical supporter, my iwr1443 radar board was designed  with reference to TI iwr1443 Boost. There are only 1443 and Flash and decoupling circuit on the radar board, and the power supply is provided by external five voltage routes, 1.2v, 1.8v, 1.3v, 1.3v, 3.3v, and connect the same ground. Considering that the 1443 can also operate in low-power mode, I also tried to changed 1.3v to 1.0v. but none of them can load the program. The following is a picture of the state of the application downloaded using UniFlash, which is stuck here.

Can you provide me with further tests or solutions for the above problems?

thanks,

lucky.