This thread has been locked.

If you have a related question, please click the "Ask a related question" button in the top right corner. The newly created question will be automatically linked to this question.

IWR6843: uniflash failed to connect to COM port (ft2232)

Genius 13655 points
Part Number: IWR6843
Other Parts Discussed in Thread: UNIFLASH,

Hello Champs,

Customer designed his own board by referencing iwr6843aopevm. He used the ft2232 ftdi chip to convert uart to usb and the flash is macronix mx25l3233f2i-08g. 

Uniflash can recognize the COM port but failed to connect the COM port. The reset signal and sop[2:0]=101 are correct. 

Below is the error message. 

[Error] Cortex_R4_0: Initial response from the device was not received.Please power cycle device before re-flashing.

[Error] Cortex_R4_0: Not able to connect to serial port. Recheck COM port selected and/or permissions.



Thanks.
Rgds
Shine

  • Hi Shine,

    Do you have any other programs open that may be accessing the COM ports? This includes tera term and our online Demo Visualizer tool.

    Can you please share a picture of your set up to convert the UART to USB?

    Thanks,

    Angie

  • Hi Angie,

    Thank your very much for your support. 

    Customer could flash iwr6843aopevm with the same uniflash and PC setup. 

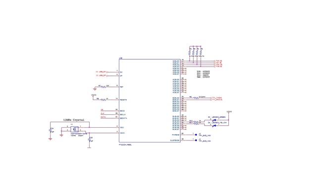
    Below is customer board's schematic of UART to USB





    He did further test. He removed the U18 on iwr6843aopevm and flied the cp2105 (uart ) to his own iwr6843aop board's u16 and v16 pins, it can flash successfully. 

    He doubted that the issue may be related to ft2232. But he has tested the uart baud rate, voltage level, they all met the flash requirements. 

    Can he use ft2232 instead of cp2105? Is there something missed?

    Thanks.

    Rgds
    Shine

  • Hi Shine,

    I am looking into this and we will get back to you in the next 3 business days.

    Thanks,

    Angie

  • Hello Shine,

    Will it be possible to share the customers schematic with me on shareef@ti.com ?

    This will give a better idea on which parts and pins you are referring to.

    Thanks,

    Shareef 

  • Hello Shareef,

    Thank you very much for your great support.

    I've asked the customer if he could send his schematic to your email directly.

    Thanks.
    Rgds
    Shine

  • Hello Shareef,

    Sorry that customer couldn't send us the schematic due to the NDA policy of his company. 

    Customer compared the difference between the two uart-usb chips. He doubted it may be related with the uniflash programming protocol. He tested FT2232 and CH340, both failed to flash. Is there special for CP2105?

    Is there uniflash programming protocol available?

    Thanks.
    Rgds
    Shine 

  • Hello Shine,

    I am looping in the expertise of my team here. Just so that I have the query clear, following is the question:

    Customer wants to replace the USB to Serial chip from CP2105 to 2FT2232 or CH340 but the flash programming is failing when they do. 

    Is that correct?

    -Shareef

  • Hello Shareef,

    Thank you very much.

    Yes, correct.

    Customer wanted to replace CP2105 with FT2232H. The COM can be recognized in uniflash, but it prompted 'set break signal', 'Opening COM port'.

    He wanted to know if it is caused by the protocol of uniflash or the there is special requirements for uniflash. 

    Thanks.
    Rgds
    Shine

  • Hello Shareef,

    A good news that customer has resolved the issue. 

    It's a hardware issue, a 0ohm resistor on uart port is not welded well. 

    Thanks
    Rgds
    Shine