This thread has been locked.

If you have a related question, please click the "Ask a related question" button in the top right corner. The newly created question will be automatically linked to this question.

TUSS4470: Reference Circuit for split send and receive functions

Part Number: TUSS4470

Hi Team,

From the datasheet, the TUSS4470 can

support a single transducer to send and receive burst
signals, or can set up two transducers to split the
send and receive functions."
Regarding the above datasheet paragraph on page 1, Can I have
a circuit example on how to split 2 transducers using a single chip?
Thank you
  • Hello Mark,

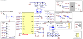
    Thanks for posting to the sensing forum! The customer can use the TUSS4470 EVM as reference for this function: https://www.ti.com/tool/BOOSTXL-TUSS4470

    The circuit is essentially the same, the only difference for a bi-static transducer setup the need to remove the R12 resistor and populate connector J3 to connect the RX transducer. The customer needs to calculate their C_FLT and C_INN capacitor values based on the formula found in the datasheet. Here is a snippet of the schematic for reference:

    I hope this answers your question!

    Best,

    Isaac