This thread has been locked.

If you have a related question, please click the "Ask a related question" button in the top right corner. The newly created question will be automatically linked to this question.

TDC1000: seawater depth sounder

Part Number: TDC1000
Other Parts Discussed in Thread: PGA460, TDC7200, DRV8870

Hello, 

I am trying to find a good solution to measure the depth of the water using an Airmar P19 depth transducer, which is mounted on a sailing boat, few cm under the floating level. As far as I know this transducer have to operate at 200kHz for best results. Also, it should work at 12v.

Until now I found some solutions with TDC1000 and PGA460 but I am not sure which one is better for this application. Or maybe another chip.

My concern is about the driving solution for P19 transducer for taking measures like 100-150m depth (which is doing with a Raymarine instrument)

Also, the measured value should be handled by an Arduino board for sending in NMEA format or an ESP32, so a connection with these boards is required.

I am not sure also if the ToF should be measured (if better) by TDC7200 or by the Arduino board.

Any advice will be appreciated, thank you!

Seb

  • Hi Seb,

    I would recommend the PGA460 for 200kHz operation, but we do not have experience with such a long range water coupled application.  One issue you may find is that the maximum record time of the PGA460 is 65ms.  The speed of sound through water is approximately 1,484 m/s; therefore, the maximum detectable distance is 48m.  Extending the record time is possible, but you still need to be sure you have enough signal to receive the echo.  See the thread below on a similar topic.     

    https://e2e.ti.com/support/sensors-group/sensors/f/sensors-forum/590619/pga460-q1-fishfinder-using-pga460-q1

    The PGA460 can perform the ToF measurement, so there is no need to use the TDC7200 or Arduino for ToF measurement.  

    As we haven't worked on this type of application before, I can't offer too much information about feasibility, but we would be interested in your results if you would like to share.

  • Hi Eddie,

    thank you for your input, very appreciated.

    I will start digging with PGA460, too. I still have some time to decide which way will be, maybe both. Slight smile

  • Seb,

    I really would not recommend using TDC1000 at lower frequencies.  TDC1000 works best for 1MHz applications such as liquid level sensing.  The range on this will be limited to centimeters and not meters, but can provide accuracy and resolution better than 1mm.  

    For the PGA460, I recommend using the transformer drive to get the highest signal level transmitted.  The EVM includes an option for transformer driven, but may not be optimized for 200kHz.   

    https://www.ti.com/tool/BOOSTXL-PGA460   

    Another thought I had is that you will need to consider the speed of sound in saltwater vs. freshwater as well as any potential attenuation in saltwater.

    100m+ of depth will be pretty challenging, so start with smaller depths first.  

  • good to know, thank you

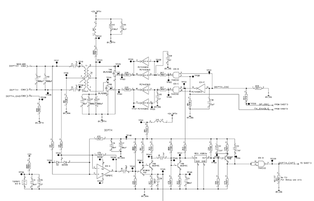
    I am still digging around this and I found the original schematic diagram, which drive this transducer. They are using some IRLR2908 mosfets which looks very powerful for me, for this kind of application. Anyway, much powerful than what I found in PGA460's diagrams. 

    So it seems I'll need some power there. 

    The original schematic attached

  • Yes, you will need quite a bit of power to acheive the range you are looking for.  This will need to be done external to the PGA460.  

  • Yeah, right now I'm looking for some more powerful drivers for this.

    Unfortunately, the DRV8870 is not handling 200Khz. even 8872 have some issues with this frequency.

  • Good luck with your testing!  We will be interested to know the results too.