This thread has been locked.

If you have a related question, please click the "Ask a related question" button in the top right corner. The newly created question will be automatically linked to this question.

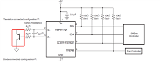
TMP411-Q1: coating question confirm

Part Number: TMP411-Q1
Other Parts Discussed in Thread: TMP411

Tool/software:

Regarding the film TMP411-Q1, will it affect the accuracy of product temperature detection if the transistors in the following red box are covered by glue when spraying three anti-paint? In order to ensure the actual functional effect of the product, does the entire design circuit need to avoid glue or as long as the chip avoids it? Thank you very much.