This thread has been locked.

If you have a related question, please click the "Ask a related question" button in the top right corner. The newly created question will be automatically linked to this question.

AWRL6432: AWRL6432 UART/SPI boot

Part Number: AWRL6432
Other Parts Discussed in Thread: IWRL6432AOP, , DCA1000EVM

Tool/software:

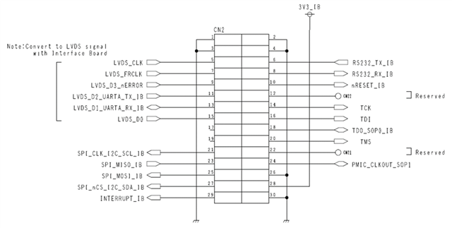
Q1: Is UART mandatory for controlling the IWRL6432AOP?
The User's Guide (swru596b) includes the following description: Application/user UART (Configuration and data communication to PC)
EVM uses a single UART port for both device configuration and processed data communication to PC.

Q2: SPI boot is supported ? HOST MCU(Flash MCU) to have AWRL6432's firmware. 
Also, is the SOP setting "MODE2" appropriate?