Tool/software:
Hi Team,
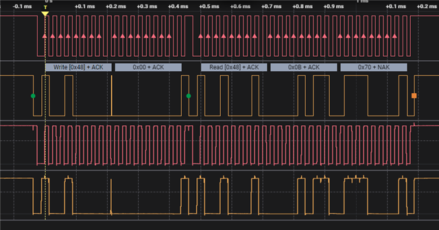
We're using TMP468 9-Channel temperature sensor interfaced in I2C(I2C bus 0) with Amston lake X7405 as main SoC. The end prodcut is a switch running on top of ubuntu 24 with kernel version 6.8.
- We could observe 3.3V is being fed to the IC but when we try detecting TMP468 with i2cget -y 0 0x49 0x00 command we're getting error output also we could'nt see the IC's address being listed down in i2cdetect -l as attached in below log. (slave address is 49 as Pin:9 ADD is pulled to V+ ).
O/P Logs:
ubuntu@ubuntu:/sys/class/hwmon$ sudo i2cdetect -l
[sudo] password for ubuntu:
i2c-0 i2c Synopsys DesignWare I2C adapter I2C adapter
i2c-1 i2c Synopsys DesignWare I2C adapter I2C adapter
i2c-2 i2c igb BB I2C adapter
i2c-3 i2c Synopsys DesignWare I2C adapter I2C adapter
i2c-4 i2c igb BB I2C adapter
i2c-5 i2c igb BB I2C adapter
i2c-6 i2c igb BB I2C adapter
i2c-7 smbus SMBus I801 adapter at efa0 SMBus adapter
ubuntu@ubuntu:/sys/class/hwmon$ sudo i2cdetect -y 0
Warning: Can't use SMBus Quick Write command, will skip some addresses
0 1 2 3 4 5 6 7 8 9 a b c d e f
00:
10:
20:
30: -- -- -- -- -- -- -- --
40:
50: -- -- -- -- -- -- -- -- -- -- -- -- -- -- -- --
60:
70:
ubuntu@ubuntu:/sys/class/hwmon$ sudo i2cget -y 0 0x48 0x00
Error: Read failed
- When we try loading the module manually (TMP468). We are not getting any dmesg logs while loading & also Hwmon file is not created in /sys/class/hwmon.
O/P Logs:
ubuntu@ubuntu:/sys/class/hwmon$ ls
hwmon0 hwmon1
ubuntu@ubuntu:/sys/class/hwmon$ cd hwmon0/
ubuntu@ubuntu:/sys/class/hwmon/hwmon0$ cat name
i350bb
ubuntu@ubuntu:/sys/class/hwmon/hwmon0$ cd ../hwmon1/
ubuntu@ubuntu:/sys/class/hwmon/hwmon1$ cat name
coretemp
ubuntu@ubuntu:/sys/class/hwmon/hwmon1$
Kindly help us resolving the issue as soon as possible.




