This thread has been locked.

If you have a related question, please click the "Ask a related question" button in the top right corner. The newly created question will be automatically linked to this question.

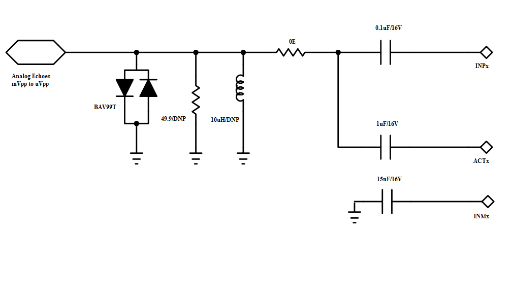
AFE5818: Termination at the Analog Input of AFE5818

Part Number: AFE5818

Hi,

The multiple AFE5818 is being used on the receiving side of Ultrasound scanner development.

Is there any need for additional onboard termination at the analog input pins of AFE5818?

The schematic at the input of AFE is attached here, please validate it.

Do the optional 49.9E resistor (impedance matching) and 10uH inductor (dc removal) can be removed from the schematic?

Thanks in Advance
DEEPAK V