This thread has been locked.

If you have a related question, please click the "Ask a related question" button in the top right corner. The newly created question will be automatically linked to this question.

FDC2112: Single-ended and differential sensor confuguration

Part Number: FDC2112

Hello;

I use FDC2112 to measure multilayer capacitance.

Firstly, I connect  100pF capacitor differential mode like figure 55 on datasheet. It is ok. The measurement is true. Secondly I connect one more 100pF on paralell.

So my reading value must be 200pF. Yes it is.

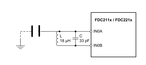
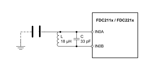
The problem is with single ended confeguration. 

When I connect 100pF, reading value is 50pF. when i connect two 100pF capacitor in paralell reading value less than 20pF.

What is my fault. 

Regards,