This thread has been locked.

If you have a related question, please click the "Ask a related question" button in the top right corner. The newly created question will be automatically linked to this question.

OPT3007: About LAND PATTERN EXAMPLE

Part Number: OPT3007
Other Parts Discussed in Thread: OPT3001, OPT3006

Hello

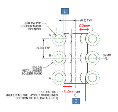
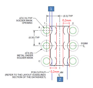
Can you tell me the definition of "METAL UNDER SOLDER MASK and SOLDER MASK OPENING in the LAND PATTERN EXAMPLE specification of OPT3007 as shown below?

I would like to know if this part is LAND.

Or, if you have any related resources, please let me know.

Thank you

Best regards

From Anthony

  • Hi Anthony,

    I will need to check with our packaging team on this. Can I give you an update early next week?

    Best,

    Alex
  • Hi Alex

    Thanks for your reply.
    I am really sorry, but is there a way to get a response sooner?
    Our client has a tight schedule and wants to see it sooner.
    I apologize for any inconvenience, but I would appreciate your help.

    Thank you 

    Best Regards,

    From Anthony

  • Hi Anthony,

    Metal under solder mask means that the metal pad extends under the soldermask. The solder mask opening is the size of the soldermask opening - this is the exposed pad.

    I do not follow what you mean by "I would like to know if this part is LAND".
    Does this answer your question or did you have further questions here?

    Best,

    Alex
  • Hello

    The distance between Solder mask opening and Metal undersolder mask is 0.05mm, but my customer's PCB manufacturing specification requires at least 0.2mm of spacing.

    If the customer wants 0.2mm, Cut area should be as narrow as that, and I think that Sensing Area is going to be a problem.

    But my customers want to hear from TI

    Please advise me.


    Thank you.
    Best Regards

    From Anthony

  • Hi Anthony,

    What is the reason for choosing OPT3006/7 over OPT3001? OPT3006/7 achieves much smaller size but requires better tolerances than OPT3001 so it is advised to use only if space is constrained or there is another good reason to choose it. Also since you chose OPT3007 there are two pins that are NC. This allows you to do a larger cutout if you do not solder those pads over OPT3006.

    Please check the OPT3006 page for the FoV simulator tool. This will let you put in the cutout size parameters and simulate performance.

    Best,

    Alex