Other Parts Discussed in Thread: DXP
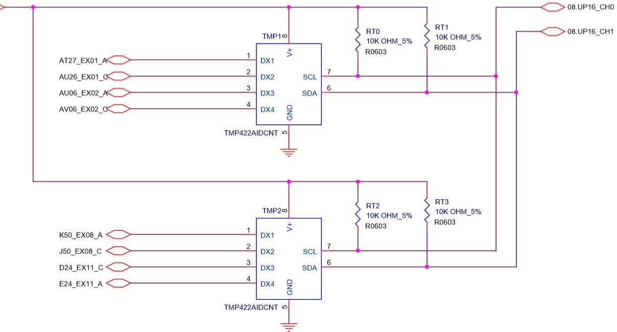
Using 2 TMP422's I am able to read back correct temperature measurements from the first device (TMP1) but the
2nd TMP422 (TMP2) read back is all high's (255). We're wondering if this is a result of the ESD Diode configuration
surrounding the Thermal Diode? Are the ESD diodes disrupting the addressing scheme for the 2nd device? Any
suggestions on what might be going on here are appreciated.
TMP422's powered to 5V



