This thread has been locked.

If you have a related question, please click the "Ask a related question" button in the top right corner. The newly created question will be automatically linked to this question.

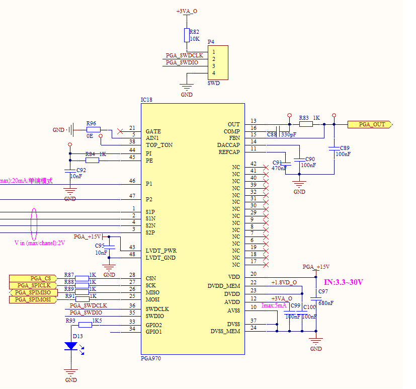
CCS/PGA970: PGA970 can't be connected with XDS200

Part Number: PGA970

Tool/software: Code Composer Studio

Enviroment:

Self-designed PGA970 board

Code Composer Studio  7.1.0.00016

YXDSP-XDS200 Emulator

PGA970 Reference Firmware from www.Ti.com

OS: win10 home edition(64bit  x64) / win10 Professional edition(64bit  x64)

SCH is the following: SWD is a four-pin connector

Connection diagram is the following:


 

XDS200 14-pin Connector 


PGA970 Board 4-pin connector

PIN1: VCC_3 

PIN2: SWDCLK 

PIN3: SWDIO 

PIN4: GND

TMS(XDS200 pin1)  ----  SWDIO(PGA Board pin2)

TCK(XDS200 pin 11)  ----  SWDCLK (PGA Board pin3)

GND(XDS200 pin4)  ----  GND(PGA Board pin4)

PD(XDS200 pin5)  ----  VCC_3(PGA Board pin1)

CCS Configuration



 

Error Information:

 

computer with win10 home edition:


computer with win10 Professional edition:


 

I try many many times , but the result still does.

In the computer with  Win10 home edition, PGA970 board can be connected at very low probabilities (about 1/20), and In the other computer with win10 professional edition, PGA970 never can be connected.