Hi,
Greetings!
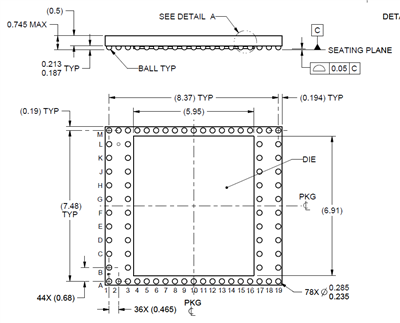
I've seen that you have given the 3D model(STEP file) for OPT8241 in this thread [https://e2e.ti.com/support/sensors/f/1023/t/711044] and can be downloaded using this link [https://webench.ti.com/cad/dlbxl.cgi/newstep/NBN0048A.stp]. However when our customer checked the file they noticed that there are extra pins that are not (do not exist) in the footprint of the OPT8241. I've attached the snippet below, please noticed the pins highlighted by the red box versus the footprint in the datasheet. 

I would appreciate your help to clarify why the 3D model has those extra pins. Also, if there's an exact 3D model for OPT8241 I will be grateful if you could share us the link.
Thank you and have a great day!
Regards,
Cedrick
