Tool/software:
Dear Expert:
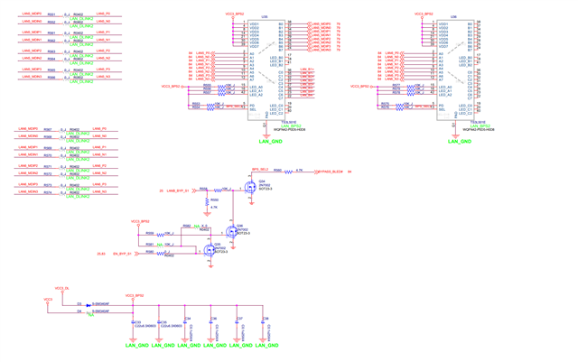
The following are our drawings. We connected the RJ45A and RJ45B to the PC and the router respectively. Theoretically, they should be connected, but in reality, they are not. Could you please check if there is any problem in this application? Thank you







