This thread has been locked.

If you have a related question, please click the "Ask a related question" button in the top right corner. The newly created question will be automatically linked to this question.

Flip flop power switch IC

Other Parts Discussed in Thread: TPS22915

Is there any flip flop power switch IC? So it need to be switch on and off with push button.

  • Hi Ismail, 

    Thanks for reaching out on E2E. Is this in connection to your previous thread? 

    You can use any of our load switch devices with a push button, simply pull-up the button to a voltage source and connect it to the enable pin of the load switch.

    I recommend starting with the TPS22915. As mentioned in the other thread, we have other ICs that provide additional functionality such as adjustable slew rate, output discharge, and thermal shutdown.

    Thanks,

    Arthur

  • Its really nice then thanks. But I don't understand still what slew rate will change in the switch?
  • And in the datasheet it says:

    "9.3.1 On and Off Control
    The ON pins control the state of the switch. Asserting ON high enables the switch. ON is active high and has a low threshold, making it capable of interfacing with low-voltage signals. The ON pin is compatible with standard GPIO logic threshold. It can be used with any microcontroller with 1 V or higher GPIO voltage. This pin cannot be left floating and must be driven either high or low for proper functionality."

    So how it will be act with push button connected to power supply directly?
  • Hi Ismal, 

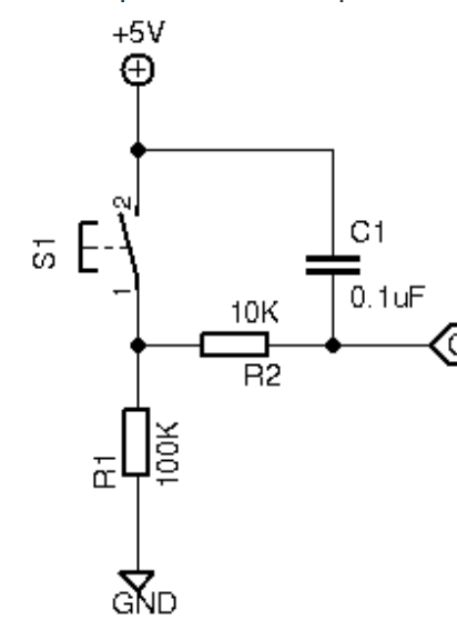
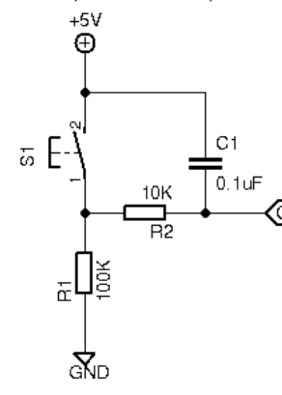
    Here is an example of a push button circuit you can connect to the load switch enable:

    For more information regarding our slew rate and load switch overview, please read our app notes, Basics of Load Switches and Timing of Load Switches.

    Thanks,

    Arthur Huang


    To find the latest information on Power Switches, visit www.ti.com/powerswitch

    Please click "This resolved my issue" button if this post answers your question.

  • In your circuit S1 is momentary push button, right? Im asking because it looks like toggle switch.