This thread has been locked.

If you have a related question, please click the "Ask a related question" button in the top right corner. The newly created question will be automatically linked to this question.

CD4051B: OFF Channel Leakage Current

Part Number: CD4051B
Other Parts Discussed in Thread: TMUX1108,

Hi team,

My customer wants to know the typical and maximum OFF Channel Leakage Current when VDD=5V and 3.3V, TA=25C and ALL, and our datasheet only claim VDD=18V. Customer need lower leakage current and MAX4051A claim +/-0.1 nA max, can our device leakage current support this range? Thanks. 

  • Hello,

    What is the customer's application where lower OFF leakage current is needed?

    If they are using the device at VDD = 5V or 3.3V, I would like to suggest using TMUX1108 instead. TMUX1108 is a low-voltage device with lower leakage current, 1.8V compatible logic inputs, fail-safe logic, and break-before-make delay. Take a look at the OFF leakage current characteristics at VDD = 5V and VDD = 3.3V below:

    Let me know what you think about TMUX1108. 

    Regards,
    Kate

  • Hi Kate,

    Thank you for your response here. I think you may not answer my questions above, the only thing customers need is to get the OFF channel leakage current of CD4051B when VDD=5V or 3.3V. This is an old device customer has used before, if our device has higher leakage current they will choose MAX device, not ours. Please do help share this data with the customer. Thanks. 

  • Hello,

    I will be happy to provide that information. Please allow me some time to perform the measurements. I should have them by next Friday, January 10th. I will certainly let you know if I have updates before then.

    In the meantime, could you let me know the customer's application/end equipment? Even though the customer has used CD4051B before, I highly recommend suggesting to replace with TMUX1108 (instead of the MAX device). As I mentioned earlier, TMUX1108 has excellent, low leakage current and performs well at the voltages your customer is using. TMUX1108 has significantly lower Ron as well as 1.8V logic compatibility and fail-safe logic.

    Thank you,

    Kate

  • Hi Kate,

    Thank you for your response here. The customer wants to use it to measure resistance. Their requirement is10nA. So the MAX device is ok for them in the whole temperature range and p2p with our device. I understand that we TMUX device has better performance, but customer does not want to change their schematic, so please help share this data with them. Thanks. 

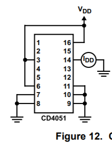
  • Hi Charles,

    I appreciate your patience for this measurement.

    According to our measurements (setup diagram shown below), off leakage current for CD4051B at these voltage levels, 5V and 3.3V, should be less than 10 pA. This should be suitable for your application of measuring resistance.

    Let me know if you have any more questions!

    Best regards,

    Kate

  • Hi Kate,

    Thank you for your help here. Off leakage current for CD4051B at these voltage levels, 5V and 3.3V should be less than 10 pA, rather than 10ns. Maybe you can modify it from your side.

  • Hi Charles,

    Thanks for pointing out my typo. At 5V and 3.3V, you should expect OFF leakage current to be less than 10pA.

    Best regards,
    Kate