Hi,
What is the task of L3 in the following illustration? Is it dispensable?
Thank You
This thread has been locked.
If you have a related question, please click the "Ask a related question" button in the top right corner. The newly created question will be automatically linked to this question.
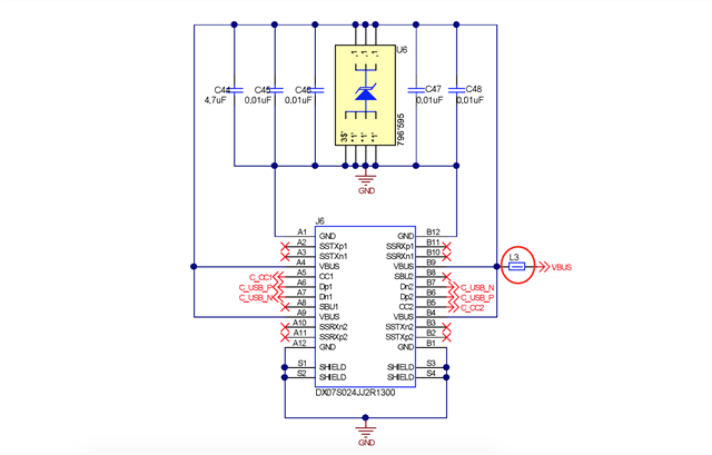
Hi,
What is the task of L3 in the following illustration? Is it dispensable?
Thank You
Hussein,
L3 is used as a low pass filter to reduce EMC and other RF emissions in the system.
Regards,
Chuck