Other Parts Discussed in Thread: TUSB8041, HD3SS460, TPS65982, TPS65987D, TUSB1046A-DCI, TUSB1064, TUSB564
Hi all,
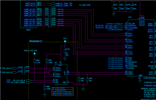
I have a customer-selected Qualcomm SOM with only one USB 3.1 superspeed interface. According to SOM datasheet it is possible to use USB for output as Displayport 4k@60Hz.
SOM also has pins DP_USBC_ORIEN and DP_AUX_EN_N outputs, EDP_AUX_P/N, and USB_CC1 and USB_CC2.
See attached picture of SOM USB3.1 Type-C with displayport reference design. That is the case when USB-C connector is in use.
Customer wants a design with this SOM, no USB-C connector, Displayport-connector (no miniDP that is in reference), some USB3 type-A ports and 5V external supply. All in same board, direct connection between SOM and IC's without cables/connectors.
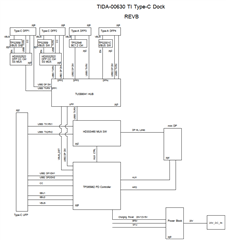
I was looking for reference design TIDA-00630 that is the closest one of reference designs.
Components needed might be at least HD3SS460 MUX, Displayport-connector,TUSB8041 USB3-hub and USB3 type-A connectors.
Customer requires this design must be all-in-one standalone version, only 5V input supply and size as compact as possible.
Here comes the questions:
* what else can be left off from TIDA-00630 reference? How it can be simplified?
* Is that PD Controller TPS65982/-86/-87 etc. really necessary in this case without USB-C connector?
* there is no driver-ICs needed between HD3SS460 and DP-connector?
Any help is appreciated.
Attached picture may clarify what is needed:


Br. Tommi


