i wnat to simulate ground fault circuit interrupter by LM1851 Chip (national semiconductor).
where is the LM1851 Library? ( for pspice or tina-ti )
please help me !!
This thread has been locked.
If you have a related question, please click the "Ask a related question" button in the top right corner. The newly created question will be automatically linked to this question.
i wnat to simulate ground fault circuit interrupter by LM1851 Chip (national semiconductor).
where is the LM1851 Library? ( for pspice or tina-ti )
please help me !!
Hi Cha,
At this time we do not have a SPICE (PSPICE or TINA-TI) model available for this part. All our SPICE models can be found here: www.ti.com/spicerack. Please check back regularly as this link is updated often with new models.
Best regards,
Nikhil
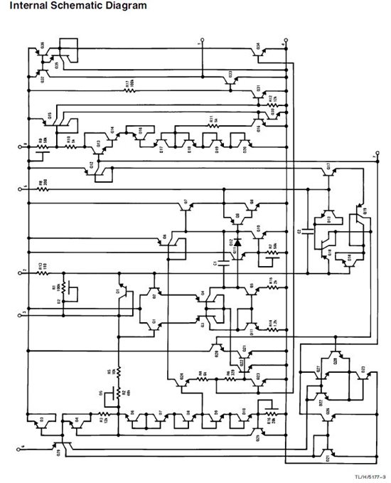
this is LM1851 Internal Schematic Diagram
If I know the the value and type of electrical device in the Internal Schematic Diagram .
i can simulate Internal Schematic Diagram with pspice.
would you help me?